轴承专区
Bearings Center
351182 C轴承-SKF 351182 C轴承尺寸、图纸、价格
SKF 351182 C轴承
| 产品名称: | 351182 C轴承 | 品牌: | SKF |
|---|---|---|---|
| 类型: | SKF轴承 > 滚动轴承 > 圆锥滚子推力轴承 | ||
| 描述: | 351182 C轴承是【SKF轴承 > 滚动轴承 > 圆锥滚子推力轴承】的型号,主要用在装卸搬运机械、印刷机械、中型及大型电动机、轧钢机辊颈、印刷机械、石油钻机转环、矿山、塑料、凿岩机械、风力发电设备等各大领域 | ||
电话/微信:138-8949-5179
SKF 351182 C轴承详细信息
351182 C轴承是【SKF轴承 > 滚动轴承 > 圆锥滚子推力轴承】的型号,主要用在装卸搬运机械、印刷机械、中型及大型电动机、轧钢机辊颈、印刷机械、石油钻机转环、矿山、塑料、凿岩机械、风力发电设备等各大领域。
SKF 351182 C轴承详细参数
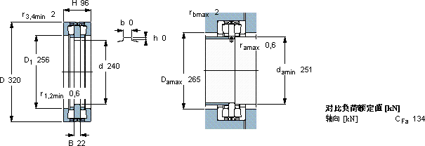
| 圆锥滚子推力轴承, 双向 | ||||||||
| 主要数据尺寸 | 基本负荷额定值 | 疲劳负荷限值 | 最小负荷系数 | 型号 | ||||
| 动态 | 静态 | |||||||
| d | D | H | C | C0 | Pu | |||
| mm | kN | kN | kg | - | ||||
| 240 | 320 | 96 | 418 | 1900 | 143 | 21,5 | 351182 C | |
SKF 351182 C轴承尺寸图纸

