李工:138-8949-5179 刘工:135-0428-8802
型号查询
轴承型号   常见搜索: 6008轴承 6030轴承 6021轴承 6032轴承 617轴承 6005轴承
型号查询 X

轴承专区

Bearings Center

23128 CCK/W33 + H 3128轴承-SKF 23128 CCK/W33 + H 3128轴承尺寸、图纸、价格

SKF 23128 CCK/W33 + H 3128轴承

产品名称:23128 CCK/W33 + H 3128轴承 品牌:SKF
类型:SKF轴承 > 滚动轴承 > 球面滚子轴承
描述:23128 CCK/W33 + H 3128轴承是【SKF轴承 > 滚动轴承 > 球面滚子轴承】的型号,主要用在各种产业机械、各类变速器、燃汽轮机、铁路车辆、减速装置、机床等的变速装置、发电厂、钟表、压路机、塔式车库等各大领域

 电话/微信:138-8949-5179

SKF 23128 CCK/W33 + H 3128轴承详细信息

23128 CCK/W33 + H 3128轴承是【SKF轴承 > 滚动轴承 > 球面滚子轴承】的型号,主要用在各种产业机械、各类变速器、燃汽轮机、铁路车辆、减速装置、机床等的变速装置、发电厂、钟表、压路机、塔式车库等各大领域。

SKF 23128 CCK/W33 + H 3128轴承详细参数

球面滚子轴承, 带紧定套的
主要数据尺寸基本负荷额定值疲劳负荷限值额定速度体积型号
动态静态参照速度限制速度轴承 + 紧定套
d1DBCC0Pu
mmkNkNr/minkg-
12522568630900882200280014,323128 CCK/W33 + H 3128

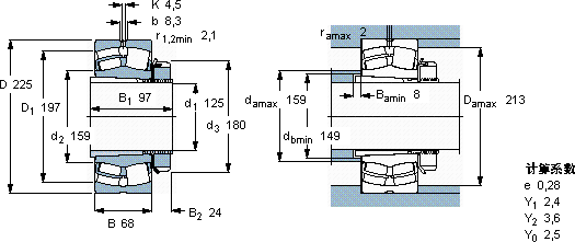
SKF 23128 CCK/W33 + H 3128轴承尺寸图纸

李工:138-8949-5179

刘工:135-0428-8802

地址:辽宁省大连经济技术开发区现代城3栋-13-13号

在线客服系统