轴承专区
Bearings Center
SSR20XW3C1M+280LM直线导轨-THK SSR20XW3C1M+280LM直线导轨尺寸、图纸、价格
THK SSR20XW3C1M+280LM直线导轨
| 产品名称: | SSR20XW3C1M+280LM直线导轨 | 品牌: | THK |
|---|---|---|---|
| 类型: | THK直线导轨 > SSR系列 | ||
| 描述: | SSR20XW3C1M+280LM导轨是【THK品牌下的SSR系列】的型号,主要用在建筑机械、罗茨鼓风机、汽车发动机、建筑机械、各类产业用减速机、石油钻机转环、成形机、纺织、轻工机械、泥炮等各大领域 | ||
电话/微信:138-8949-5179
THK SSR20XW3C1M+280LM直线导轨详细信息
SSR20XW3C1M+280LM导轨是【THK品牌下的SSR系列】的型号,主要用在建筑机械、罗茨鼓风机、汽车发动机、建筑机械、各类产业用减速机、石油钻机转环、成形机、纺织、轻工机械、泥炮等各大领域。
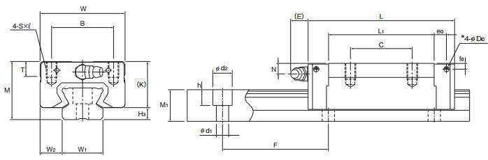
THK SSR20XW3C1M+280LM直线导轨详细参数
| 型号: | SSR20XW3C1M+280LM导轨 | 类型: | SSR |
| 滑块数: | 8 | 导轨长度(mm): | 376 |
| 宽泛型号: | SSR15XV8C1M+[376-740/1]LYUPM | 一般货期: | 询价 |
| 种类: | 标准型 | 套装产品/单件产品: | 套装产品 |
| 滑块形状: | 标准型 | 材质: | 不锈钢 |
| 导轨种类: | 标准型 | 导轨宽度 W1 (mm): | 15 |
| 安装高度 M (mm): | 24 | 组装于单轴的LM滑块数(个): | 8 |
| 钢珠排列: | 4列圆弧 | 保持器: | 有 |
| 径向间隙: | 轻预压 | 精度等级: | 超超精密级 |
| 导轨长 L (mm): | 376~740 | 滑块外形尺寸W (mm): | 34 |
| 滑块外形尺寸L (mm): | 40.3 | 滑块安装孔: | 螺纹孔 |
| 滑块安装孔数 (个): | 2 | 安装孔尺寸S : | M4 |
| 安装孔尺寸H(φ)(mm): | - | 安装孔螺纹深度(mm) : | 7 |
| 滑块尺寸L1 (mm): | 23.3 | 防尘用标记: | - |
| 滚动体: | 滚珠 | 基本额定动负荷C (N): | 9100 |
| 基本额定静负荷 Co (N): | 9700 | 容许静力矩 MA (N*M): | 30.3 |
| 容许静力矩 MB (N*M): | 18.9 | 容许静力矩 MC (N*M): | 56.2 |
THK SSR20XW3C1M+280LM直线导轨尺寸图纸

