李工:138-8949-5179 刘工:135-0428-8802
型号查询
轴承型号   常见搜索: 32313轴承 6011轴承 6010轴承 6012轴承 71913轴承 6022轴承
型号查询 X

轴承专区

Bearings Center

SR20MSW8CS+160LP直线导轨-THK SR20MSW8CS+160LP直线导轨尺寸、图纸、价格

THK SR20MSW8CS+160LP直线导轨

产品名称:SR20MSW8CS+160LP直线导轨 品牌:THK
类型:THK直线导轨 > SR系列
描述:SR20MSW8CS+160LP导轨是【THK品牌下的SR系列】的型号,主要用在建筑机械、高频马达、提升机、前轮、减速装置、机床等的变速装置、成形机、化纤机械、工程船舶、泥炮等各大领域

 电话/微信:138-8949-5179

THK SR20MSW8CS+160LP直线导轨详细信息

SR20MSW8CS+160LP导轨是【THK品牌下的SR系列】的型号,主要用在建筑机械、高频马达、提升机、前轮、减速装置、机床等的变速装置、成形机、化纤机械、工程船舶、泥炮等各大领域。

THK SR20MSW8CS+160LP直线导轨详细参数

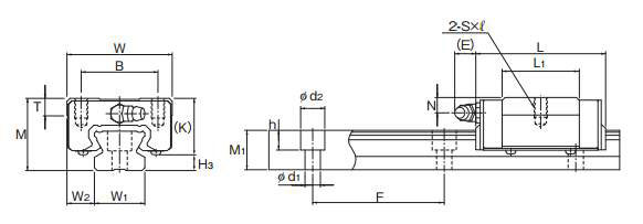
型号:SR20MSW8CS+160LP导轨类型:SR
滑块数:8导轨长度(mm):1240
宽泛型号:SR15M1V8C1+[376-1240/1]L一般货期:98日
种类:标准型套装产品/单件产品:套装产品
滑块形状:标准型材质:不锈钢
导轨种类:标准型导轨宽度 W1(mm) :15
安装高度 M (mm):24组装于单轴的LM滑块数(个):8
钢珠排列:4列圆弧保持器:
润滑装置:涂润滑油径向间隙:轻预压
精度等级:普通级导轨长 L (mm):376~1240
滑块外形尺寸W (mm):34滑块外形尺寸L (mm):40.4
滑块安装孔:螺纹孔滑块安装孔数 (个):2
安装孔尺寸S (M):M4安装孔尺寸H (mm):-
安装孔螺纹深度(mm) :7滑块尺寸L1 (mm):22.9
滚动体:滚珠基本额定动负荷C(N) :5390
基本额定静负荷 Co (N):11100容许静力矩 MA (N*M):32.6
容许静力矩 MB (N*M):20.3容许静力矩 MC (N*M):65.4

THK SR20MSW8CS+160LP直线导轨尺寸图纸

李工:138-8949-5179

刘工:135-0428-8802

地址:辽宁省大连经济技术开发区现代城3栋-13-13号

在线客服系统