轴承专区
Bearings Center
SHW14CA3M+150LUPM直线导轨-THK SHW14CA3M+150LUPM直线导轨尺寸、图纸、价格
THK SHW14CA3M+150LUPM直线导轨
| 产品名称: | SHW14CA3M+150LUPM直线导轨 | 品牌: | THK |
|---|---|---|---|
| 类型: | THK直线导轨 > SHW系列 | ||
| 描述: | SHW14CA3M+150LUPM导轨是【THK品牌下的SHW系列】的型号,主要用在通用电动机、印刷机械、挖土机履带轮、轧钢机辊颈、破碎机、石油钻机转环、轧钢机轧制螺杆用减速机、烟草机械、凿岩机械、刮泥机等各大领域 | ||
电话/微信:138-8949-5179
THK SHW14CA3M+150LUPM直线导轨详细信息
SHW14CA3M+150LUPM导轨是【THK品牌下的SHW系列】的型号,主要用在通用电动机、印刷机械、挖土机履带轮、轧钢机辊颈、破碎机、石油钻机转环、轧钢机轧制螺杆用减速机、烟草机械、凿岩机械、刮泥机等各大领域。
THK SHW14CA3M+150LUPM直线导轨详细参数
| 型号: | SHW14CA3M+150LUPM导轨 | 类型: | SHW |
| 滑块数: | 5 | 导轨长度(mm): | 730 |
| 宽泛型号: | SHW14CA5M+[235-730/1]LUPM | 一般货期: | 询价 |
| 种类: | 标准型 | 套装产品/单件产品: | 套装产品 |
| 滑块形状: | 宽幅型 | 材质: | 不锈钢 |
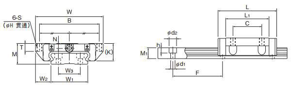
| 导轨种类: | 宽幅导轨 | 导轨宽度 W1 (mm): | 24 |
| 安装高度 M (mm): | 14 | 组装于单轴的LM滑块数(个): | 5 |
| 钢珠排列: | 4列圆弧 | 保持器: | 有 |
| 径向间隙: | 普通 | 精度等级: | 超超精密级 |
| 导轨长 L (mm): | 235~730 | 滑块外形尺寸W (mm): | 50 |
| 滑块外形尺寸L (mm): | 45.5 | 滑块安装孔: | 螺纹孔 |
| 滑块安装孔数 (个): | 4 | 安装孔尺寸S (M): | M3 |
| 安装孔螺纹深度 : | 贯通 | 滑块尺寸L1 (mm): | 34 |
| 滚动体: | 滚珠 | 基本额定动负荷C (N): | 7050 |
| 基本额定静负荷 Co (N): | 8980 | 容许静力矩 MA (N*M): | 46.6 |
| 容许静力矩 MB(N*M) : | 46.6 | 容许静力矩 MC(N*M) : | 90.4 |
| |
THK SHW14CA3M+150LUPM直线导轨尺寸图纸

