轴承专区
Bearings Center
W 08轴承-SKF W 08轴承尺寸、图纸、价格
SKF W 08轴承
| 产品名称: | W 08轴承 | 品牌: | SKF |
|---|---|---|---|
| 类型: | SKF轴承 > 滚动轴承 > 轴承附件 | ||
| 描述: | W 08轴承是【SKF轴承 > 滚动轴承 > 轴承附件】的型号,主要用在通用电动机、印刷机械、燃汽轮机、轧钢机辊颈、各类产业用减速机、石油钻机转环、轧钢机轧制螺杆用减速机、纺织、轻工机械、刮泥机等各大领域 | ||
电话/微信:138-8949-5179
SKF W 08轴承详细信息
W 08轴承是【SKF轴承 > 滚动轴承 > 轴承附件】的型号,主要用在通用电动机、印刷机械、燃汽轮机、轧钢机辊颈、各类产业用减速机、石油钻机转环、轧钢机轧制螺杆用减速机、纺织、轻工机械、刮泥机等各大领域。
SKF W 08轴承详细参数
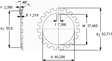
| W锁紧垫圈, 英制尺寸 | ||||||
| 尺寸 | 体积 | 型号 | ||||
| 锁紧垫圈 | 适宜的锁定螺母 | |||||
| d | d2 | B | ||||
| mm | kg | - | ||||
| 40,208 | 62,713 | 1,219 | 0,019 | W 08 | N 08 | |
SKF W 08轴承尺寸图纸

