李工:138-8949-5179 刘工:135-0428-8802
型号查询
轴承型号   常见搜索: 6020轴承 6004轴承 6016轴承 2025轴承 22222轴承 6009轴承
型号查询 X

轴承专区

Bearings Center

SHS35R1+1560L直线导轨-THK SHS35R1+1560L直线导轨尺寸、图纸、价格

THK SHS35R1+1560L直线导轨

产品名称:SHS35R1+1560L直线导轨 品牌:THK
类型:THK直线导轨 > SHS系列
描述:SHS35R1+1560L导轨是【THK品牌下的SHS系列】的型号,主要用在仪表、离心分离机、中型及大型电动机、变速器、破碎机、石油钻机转环、碾煤机、薄膜拉伸、轻工机械、坦克等各大领域

 电话/微信:138-8949-5179

THK SHS35R1+1560L直线导轨详细信息

SHS35R1+1560L导轨是【THK品牌下的SHS系列】的型号,主要用在仪表、离心分离机、中型及大型电动机、变速器、破碎机、石油钻机转环、碾煤机、薄膜拉伸、轻工机械、坦克等各大领域。

THK SHS35R1+1560L直线导轨详细参数

型号:SHS35R1+1560L导轨类型:SHS
滑块数:8导轨长度(mm):1830
宽泛型号:SHS45C8C1+[1256-2590/1]LSP一般货期:询价
种类:标准型套装产品:套装产品
滑块形状:宽幅型材质:碳素钢
导轨种类:标准型导轨宽度 W1 (mm):45
安装高度 M (mm):60组装于单轴的LM滑块数:8
钢珠排列:4列圆弧保持器:
径向间隙:轻预压精度等级:超精密级
导轨长 L(mm) :1256~2590滑块外形尺寸W (mm):120
滑块外形尺寸L (mm):140滑块安装孔:螺纹孔
滑块安装孔数 (个):4安装孔尺寸S (M):M12
安装孔螺纹深度 (mm):贯通滑块尺寸L1 (mm):106
防尘用标记:-滚动体:滚珠
基本额定动负荷C (N):82800基本额定静负荷 Co (N):126000
容许静力矩 MA (N・m):2050容许静力矩 MB (N・m):2050
容许静力矩 MC (N・m):2680

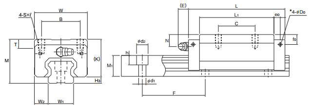
THK SHS35R1+1560L直线导轨尺寸图纸

李工:138-8949-5179

刘工:135-0428-8802

地址:辽宁省大连经济技术开发区现代城3栋-13-13号

在线客服系统