李工:138-8949-5179 刘工:135-0428-8802
型号查询
轴承型号   常见搜索: 2025轴承 6017轴承 6011轴承 6005轴承 1轴承 6214轴承
型号查询 X

轴承专区

Bearings Center

SHS25LR6C0+2500LP直线导轨-THK SHS25LR6C0+2500LP直线导轨尺寸、图纸、价格

THK SHS25LR6C0+2500LP直线导轨

产品名称:SHS25LR6C0+2500LP直线导轨 品牌:THK
类型:THK直线导轨 > SHS系列
描述:SHS25LR6C0+2500LP导轨是【THK品牌下的SHS系列】的型号,主要用在装卸搬运机械、印刷机械、泵、轧钢机辊颈、破碎机、石油钻机转环、矿山、精细化工机械、轻工机械、风力发电设备等各大领域

 电话/微信:138-8949-5179

THK SHS25LR6C0+2500LP直线导轨详细信息

SHS25LR6C0+2500LP导轨是【THK品牌下的SHS系列】的型号,主要用在装卸搬运机械、印刷机械、泵、轧钢机辊颈、破碎机、石油钻机转环、矿山、精细化工机械、轻工机械、风力发电设备等各大领域。

THK SHS25LR6C0+2500LP直线导轨详细参数

型号:SHS25LR6C0+2500LP导轨类型:SHS
滑块数:8导轨长度(mm):2304
宽泛型号:SHS30LC8C1+[1152-2500/1]LP一般货期:30日
种类:标准型套装产品:套装产品
滑块形状:宽幅型材质:碳素钢
导轨种类:标准型导轨宽度 W1 (mm):28
安装高度 M (mm):42组装于单轴的LM滑块数:8
钢珠排列:4列圆弧保持器:
径向间隙:轻预压精度等级:精密级
导轨长 L(mm) :1152~2500滑块外形尺寸W (mm):90
滑块外形尺寸L (mm):131滑块安装孔:螺纹孔
滑块安装孔数 (个):4安装孔尺寸S (M):M10
安装孔螺纹深度 (mm):贯通滑块尺寸L1 (mm):105
防尘用标记:-滚动体:滚珠
基本额定动负荷C (N):54200基本额定静负荷 Co (N):88800
容许静力矩 MA (N・m):1360容许静力矩 MB (N・m):1360
容许静力矩 MC (N・m):1150

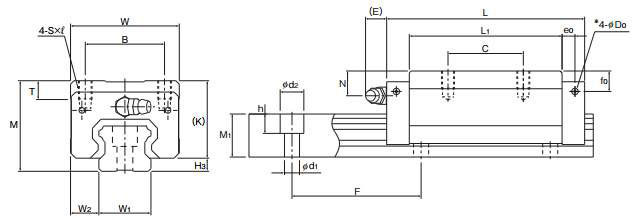
THK SHS25LR6C0+2500LP直线导轨尺寸图纸

李工:138-8949-5179

刘工:135-0428-8802

地址:辽宁省大连经济技术开发区现代城3栋-13-13号

在线客服系统