轴承专区
Bearings Center
HSR25M1LR5+1300L直线导轨-THK HSR25M1LR5+1300L直线导轨尺寸、图纸、价格
THK HSR25M1LR5+1300L直线导轨
| 产品名称: | HSR25M1LR5+1300L直线导轨 | 品牌: | THK |
|---|---|---|---|
| 类型: | THK直线导轨 > HSR系列 | ||
| 描述: | HSR25M1LR5+1300L导轨是【THK品牌下的HSR系列】的型号,主要用在变速器、各类变速器、变速器、铁路车辆、各类产业用减速机、机床等的变速装置、立式电动机、塑料、工程船舶、机械手等各大领域 | ||
电话/微信:138-8949-5179
THK HSR25M1LR5+1300L直线导轨详细信息
HSR25M1LR5+1300L导轨是【THK品牌下的HSR系列】的型号,主要用在变速器、各类变速器、变速器、铁路车辆、各类产业用减速机、机床等的变速装置、立式电动机、塑料、工程船舶、机械手等各大领域。
THK HSR25M1LR5+1300L直线导轨详细参数
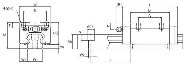
| 型号: | HSR25M1LR5+1300L导轨 | 类型: | HSR |
| 滑块数: | 5 | 导轨长度(mm): | 2020 |
| 宽泛型号: | HSR65YR5C1+[1015-2500/1]LUP | 一般货期: | 询价 |
| 种类: | 标准型 | 套装产品/单件产品: | 套装产品 |
| 滑块形状: | 标准型 | 材质: | 碳素钢 |
| 导轨种类: | 标准型 | 导轨宽度 W1(mm): | 63 |
| 安装高度 M(mm): | 90 | 组装于单轴的LM滑块数(个): | 5 |
| 钢珠排列: | 4列圆弧 | 保持器: | 无 |
| 润滑装置: | - | 径向间隙: | 轻预压 |
| 精度等级: | 超超精密级 | 导轨长 L(mm): | 1015~2500 |
| 滑块外形尺寸W(mm): | 124.5 | 滑块外形尺寸L(mm): | 186 |
| 滑块安装孔: | 螺纹孔 | 滑块安装孔数(个): | 4 |
| 安装孔尺寸S(M): | M16 | 安装孔尺寸H(mm): | - |
| 安装孔螺纹深度(mm): | 22 | 滑块尺寸L1(mm): | 147 |
| 滚动体: | 滚珠 | 基本额定动负荷C(N): | 141000 |
| 基本额定静负荷 Co(N): | 215000 | 容许静力矩 MA(N*M): | 4800 |
| 容许静力矩 MB(N*M): | 4800 | 容许静力矩 MC(N*M): | 5820 |
THK HSR25M1LR5+1300L直线导轨尺寸图纸

