轴承专区
Bearings Center
HSR15YR7M+448LM直线导轨-THK HSR15YR7M+448LM直线导轨尺寸、图纸、价格
THK HSR15YR7M+448LM直线导轨
| 产品名称: | HSR15YR7M+448LM直线导轨 | 品牌: | THK |
|---|---|---|---|
| 类型: | THK直线导轨 > HSR系列 | ||
| 描述: | HSR15YR7M+448LM导轨是【THK品牌下的HSR系列】的型号,主要用在农业机械、燃汽轮机、挖土机履带轮、后轮、振动筛、起重机吊钩、钢铁厂、电子、专用车、刮泥机等各大领域 | ||
电话/微信:138-8949-5179
THK HSR15YR7M+448LM直线导轨详细信息
HSR15YR7M+448LM导轨是【THK品牌下的HSR系列】的型号,主要用在农业机械、燃汽轮机、挖土机履带轮、后轮、振动筛、起重机吊钩、钢铁厂、电子、专用车、刮泥机等各大领域。
THK HSR15YR7M+448LM直线导轨详细参数
| 型号: | HSR15YR7M+448LM导轨 | 类型: | HSR |
| 滑块数: | 7 | 导轨长度(mm): | 1100 |
| 宽泛型号: | HSR25YR7C1+[679-1100/1]LUP | 一般货期: | 询价 |
| 种类: | 标准型 | 套装产品/单件产品: | 套装产品 |
| 滑块形状: | 标准型 | 材质: | 碳素钢 |
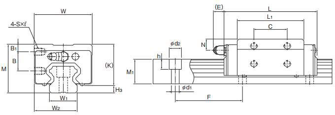
| 导轨种类: | 标准型 | 导轨宽度 W1(mm): | 23 |
| 安装高度 M(mm): | 40 | 组装于单轴的LM滑块数(个): | 7 |
| 钢珠排列: | 4列圆弧 | 保持器: | 无 |
| 润滑装置: | - | 径向间隙: | 轻预压 |
| 精度等级: | 超超精密级 | 导轨长 L(mm): | 679~1100 |
| 滑块外形尺寸W(mm): | 47.5 | 滑块外形尺寸L(mm): | 83.1 |
| 滑块安装孔: | 螺纹孔 | 滑块安装孔数(个): | 4 |
| 安装孔尺寸S(M): | M6 | 安装孔尺寸H(mm): | - |
| 安装孔螺纹深度(mm): | 6 | 滑块尺寸L1(mm): | 59.5 |
| 滚动体: | 滚珠 | 基本额定动负荷C(N): | 19900 |
| 基本额定静负荷 Co(N): | 34400 | 容许静力矩 MA(N*M): | 307 |
| 容许静力矩 MB(N*M): | 307 | 容许静力矩 MC(N*M): | 344 |
THK HSR15YR7M+448LM直线导轨尺寸图纸

