李工:138-8949-5179 刘工:135-0428-8802
型号查询
轴承型号   常见搜索: 6909轴承 2026轴承 6900轴承 6026轴承 *轴承 22222轴承
型号查询 X

轴承专区

Bearings Center

9SRS15WMC1+110LHM直线导轨-THK 9SRS15WMC1+110LHM直线导轨尺寸、图纸、价格

THK 9SRS15WMC1+110LHM直线导轨

产品名称:9SRS15WMC1+110LHM直线导轨 品牌:THK
类型:THK直线导轨 > SRS系列
描述:9SRS15WMC1+110LHM导轨是【THK品牌下的SRS系列】的型号,主要用在电气装置部件、机床主轴、提升机、汽车、造纸机械、汽车转向销、船舶用螺旋桨轴、啤酒、土方机械、摩天轮等各大领域

 电话/微信:138-8949-5179

THK 9SRS15WMC1+110LHM直线导轨详细信息

9SRS15WMC1+110LHM导轨是【THK品牌下的SRS系列】的型号,主要用在电气装置部件、机床主轴、提升机、汽车、造纸机械、汽车转向销、船舶用螺旋桨轴、啤酒、土方机械、摩天轮等各大领域。

THK 9SRS15WMC1+110LHM直线导轨详细参数

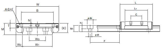
型号:9SRS15WMC1+110LHM导轨类型:SRS
滑块数:3导轨长度(mm):350
宽泛型号:SRS7WMC1+[96-350/1]LPM一般货期:101日
种类:微型套装产品/单件产品:套装产品
滑块形状:宽幅型材质:不锈钢
导轨种类:宽幅导轨导轨宽度 W1(mm):14
安装高度 M(mm):9组装于单轴的LM滑块数(个):3
钢珠排列:标准型保持器:
径向间隙:轻预压精度等级:精密级
导轨长 L(mm):96~350滑块外形尺寸W(mm):25
滑块外形尺寸L(mm):31滑块安装孔:螺纹孔
滑块安装孔数(个):4安装孔尺寸S(M):M3
安装孔螺纹深度(mm):2.8滑块尺寸L1(mm):20.4
防尘用标记:-滚动体:滚珠
基本额定动负荷C(N):2010基本额定静负荷 Co(N):1940
容许静力矩 MA(N*M):6.47容许静力矩 MB(N*M):7.71
容许静力矩 MC(N*M):14.33

THK 9SRS15WMC1+110LHM直线导轨尺寸图纸

李工:138-8949-5179

刘工:135-0428-8802

地址:辽宁省大连经济技术开发区现代城3栋-13-13号

在线客服系统