李工:138-8949-5179 刘工:135-0428-8802
型号查询
轴承型号   常见搜索: 71913轴承 6030轴承 3214轴承 6005轴承 6909轴承 6019轴承
型号查询 X

轴承专区

Bearings Center

BCSB 320099轴承-SKF BCSB 320099轴承尺寸、图纸、价格

SKF BCSB 320099轴承

产品名称:BCSB 320099轴承 品牌:SKF
类型:SKF轴承 > 滚动轴承 > 圆柱滚子轴承
描述:BCSB 320099轴承是【SKF轴承 > 滚动轴承 > 圆柱滚子轴承】的型号,主要用在农业机械、油泵、减速装置、机床主轴、振动筛、石油钻机、钢铁厂、塑料、解体机、太阳能发电设备等各大领域

 电话/微信:138-8949-5179

SKF BCSB 320099轴承详细信息

BCSB 320099轴承是【SKF轴承 > 滚动轴承 > 圆柱滚子轴承】的型号,主要用在农业机械、油泵、减速装置、机床主轴、振动筛、石油钻机、钢铁厂、塑料、解体机、太阳能发电设备等各大领域。

SKF BCSB 320099轴承详细参数

圆柱滚子轴承, 剖分式单列
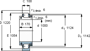
主要数据尺寸基本负荷额定值疲劳负荷限值径向内部游隙体积型号
动态静态
dDBCCC0Pu最小最大
mmkNkNmmkg-
10001220170100270064004050,430,55345BCSB 320099

SKF BCSB 320099轴承尺寸图纸

李工:138-8949-5179

刘工:135-0428-8802

地址:辽宁省大连经济技术开发区现代城3栋-13-13号

在线客服系统