李工:138-8949-5179 刘工:135-0428-8802
型号查询
轴承型号   常见搜索: 6309轴承 6010轴承 32313轴承 6011轴承 6020轴承 6006轴承
型号查询 X

轴承专区

Bearings Center

1HR3065+1480L直线导轨-THK 1HR3065+1480L直线导轨尺寸、图纸、价格

THK 1HR3065+1480L直线导轨

产品名称:1HR3065+1480L直线导轨 品牌:THK
类型:THK直线导轨 > HR系列
描述:1HR3065+1480L导轨是【THK品牌下的HR系列】的型号,主要用在农业机械、机床主轴、泵、汽车、木工机械、耕耘机、钢铁厂、陶瓷机械、地基处理机械、太阳能发电设备等各大领域

 电话/微信:138-8949-5179

THK 1HR3065+1480L直线导轨详细信息

1HR3065+1480L导轨是【THK品牌下的HR系列】的型号,主要用在农业机械、机床主轴、泵、汽车、木工机械、耕耘机、钢铁厂、陶瓷机械、地基处理机械、太阳能发电设备等各大领域。

THK 1HR3065+1480L直线导轨详细参数

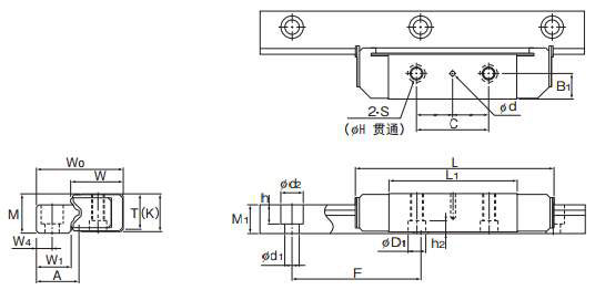
型号:1HR3065+1480L导轨类型:HR
滑块数:8导轨长度(mm):1160
宽泛型号:8HR2555+[976-2600/1]LH一般货期:98日
种类:分离套装产品/单件产品:套装产品
滑块形状:标准型材质:碳素钢
导轨种类:标准型导轨宽度 W1(mm):22
安装高度 M(mm):25组装于单轴的LM滑块数(个):8
钢珠排列:4列圆弧保持器:
润滑装置:涂润滑油精度等级:高级
导轨长 L(mm):976~2600滑块外形尺寸W(mm):33.3
滑块外形尺寸L(mm):121滑块安装孔:螺纹孔
滑块安装孔数(个):2安装孔尺寸S(M):M8
安装孔螺纹深度:贯通滑块尺寸L1(mm):80
滚动体:滚珠基本额定动负荷C(N):18600
基本额定静负荷 Co(N):30500容许静力矩 MA(N*M):783
容许静力矩 MB(N*M):783

THK 1HR3065+1480L直线导轨尺寸图纸

李工:138-8949-5179

刘工:135-0428-8802

地址:辽宁省大连经济技术开发区现代城3栋-13-13号

在线客服系统