轴承专区
Bearings Center
7310 BEGAF轴承-SKF 7310 BEGAF轴承尺寸、图纸、价格
SKF 7310 BEGAF轴承
| 产品名称: | 7310 BEGAF轴承 | 品牌: | SKF |
|---|---|---|---|
| 类型: | SKF轴承 > 滚动轴承 > 角接触球轴承 | ||
| 描述: | 7310 BEGAF轴承是【SKF轴承 > 滚动轴承 > 角接触球轴承】的型号,主要用在通用电动机、罗茨鼓风机、燃汽轮机、建筑机械、减速装置、制铁制钢机械、轧钢机轧制螺杆用减速机、玩具、堆取料机、机场加油机等各大领域 | ||
电话/微信:138-8949-5179
SKF 7310 BEGAF轴承详细信息
7310 BEGAF轴承是【SKF轴承 > 滚动轴承 > 角接触球轴承】的型号,主要用在通用电动机、罗茨鼓风机、燃汽轮机、建筑机械、减速装置、制铁制钢机械、轧钢机轧制螺杆用减速机、玩具、堆取料机、机场加油机等各大领域。
SKF 7310 BEGAF轴承详细参数
| 角接触球轴承, 单列 | |||||||||||
| 主要数据尺寸 | 尺寸 [英寸] | 疲劳负荷限值 | 额定速度 | 体积 | 型号 | ||||||
| 动态 | 静态 | 参照速度 | 限制速度 | ||||||||
| d | D | B | C | C0 | Pu | ||||||
| mm | kN | kN | r/min | kg | - | ||||||
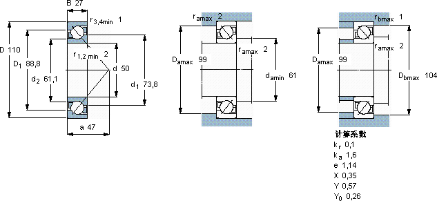
| 50 | 110 | 27 | 68,9 | 47,5 | 2 | 7500 | 7500 | 1,16 | 7310 BEGAF | ||
SKF 7310 BEGAF轴承尺寸图纸

