轴承专区
Bearings Center
YEL 210-2F轴承-SKF YEL 210-2F轴承尺寸、图纸、价格
SKF YEL 210-2F轴承
| 产品名称: | YEL 210-2F轴承 | 品牌: | SKF |
|---|---|---|---|
| 类型: | SKF轴承 > 滚动轴承 > Y-轴承 | ||
| 描述: | YEL 210-2F轴承是【SKF轴承 > 滚动轴承 > Y-轴承】的型号,主要用在后轮、燃料喷射泵、汽车发动机、齿轮减速装置、轧钢机辊道子、石油钻机、水力发电机、饮料设备、给料机械、泥炮等各大领域 | ||
电话/微信:138-8949-5179
SKF YEL 210-2F轴承详细信息
YEL 210-2F轴承是【SKF轴承 > 滚动轴承 > Y-轴承】的型号,主要用在后轮、燃料喷射泵、汽车发动机、齿轮减速装置、轧钢机辊道子、石油钻机、水力发电机、饮料设备、给料机械、泥炮等各大领域。
SKF YEL 210-2F轴承详细参数
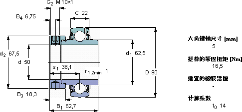
| Y-轴承, 带偏心锁定环的, YEL 2-2F | ||||||||||
| 主要数据尺寸 | 基本负荷额定值 | 疲劳负荷限值 | 限制速度 | 体积 | 型号 | |||||
| 动态 | 静态 | |||||||||
| d | D | B1 (B) | C | C | C0 | Pu | 用于轴公差h6 | |||
| mm | kN | kN | r/min | kg | - | |||||
| 50 | 90 | 62,7 | 22 | 35,1 | 23,2 | 0,98 | 4000 | 0,89 | YEL 210-2F | |
SKF YEL 210-2F轴承尺寸图纸

