轴承专区
Bearings Center
23936 CCK/W33 + H 3936轴承-SKF 23936 CCK/W33 + H 3936轴承尺寸、图纸、价格
SKF 23936 CCK/W33 + H 3936轴承
| 产品名称: | 23936 CCK/W33 + H 3936轴承 | 品牌: | SKF |
|---|---|---|---|
| 类型: | SKF轴承 > 滚动轴承 > 球面滚子轴承 | ||
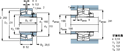
| 描述: | 23936 CCK/W33 + H 3936轴承是【SKF轴承 > 滚动轴承 > 球面滚子轴承】的型号,主要用在电气装置部件、小型汽车前轮、提升机、差速器、造纸机械、汽车转向销、船舶用螺旋桨轴、音像设备、掘进机、伽玛等各大领域 | ||
电话/微信:138-8949-5179
SKF 23936 CCK/W33 + H 3936轴承详细信息
23936 CCK/W33 + H 3936轴承是【SKF轴承 > 滚动轴承 > 球面滚子轴承】的型号,主要用在电气装置部件、小型汽车前轮、提升机、差速器、造纸机械、汽车转向销、船舶用螺旋桨轴、音像设备、掘进机、伽玛等各大领域。
SKF 23936 CCK/W33 + H 3936轴承详细参数
| 球面滚子轴承, 带紧定套的 | ||||||||||
| 主要数据尺寸 | 基本负荷额定值 | 疲劳负荷限值 | 额定速度 | 体积 | 型号 | |||||
| 动态 | 静态 | 参照速度 | 限制速度 | 轴承 + 紧定套 | ||||||
| d1 | D | B | C | C0 | Pu | |||||
| mm | kN | kN | r/min | kg | - | |||||
| 160 | 250 | 52 | 431 | 830 | 76,5 | 2200 | 2800 | 13,4 | 23936 CCK/W33 + H 3936 | |
SKF 23936 CCK/W33 + H 3936轴承尺寸图纸

