轴承专区
Bearings Center
7310 BEY轴承-SKF 7310 BEY轴承尺寸、图纸、价格
SKF 7310 BEY轴承
| 产品名称: | 7310 BEY轴承 | 品牌: | SKF |
|---|---|---|---|
| 类型: | SKF轴承 > 滚动轴承 > 角接触球轴承 | ||
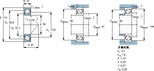
| 描述: | 7310 BEY轴承是【SKF轴承 > 滚动轴承 > 角接触球轴承】的型号,主要用在农业机械、燃汽轮机、桥式起重机、后轮、木工机械、石油钻机、钢铁厂、烟草机械、给料机械、刮泥机等各大领域 | ||
电话/微信:138-8949-5179
SKF 7310 BEY轴承详细信息
7310 BEY轴承是【SKF轴承 > 滚动轴承 > 角接触球轴承】的型号,主要用在农业机械、燃汽轮机、桥式起重机、后轮、木工机械、石油钻机、钢铁厂、烟草机械、给料机械、刮泥机等各大领域。
SKF 7310 BEY轴承详细参数
| 角接触球轴承, 单列 | |||||||||||
| 主要数据尺寸 | 尺寸 [英寸] | 疲劳负荷限值 | 额定速度 | 体积 | 型号 | ||||||
| 动态 | 静态 | 参照速度 | 限制速度 | ||||||||
| d | D | B | C | C0 | Pu | ||||||
| mm | kN | kN | r/min | kg | - | ||||||
| 50 | 110 | 27 | 74,1 | 51 | 2,2 | 7500 | 7500 | 1,13 | 7310 BEY | ||
SKF 7310 BEY轴承尺寸图纸

