李工:138-8949-5179 刘工:135-0428-8802
型号查询
轴承型号   常见搜索: 6019轴承 3214轴承 6015轴承 32313轴承 688a轴承 6032轴承
型号查询 X

轴承专区

Bearings Center

61911轴承-SKF 61911轴承尺寸、图纸、价格

SKF 61911轴承

产品名称:61911轴承 品牌:SKF
类型:SKF轴承 > 滚动轴承 > 深沟球轴承
描述:61911轴承是【SKF轴承 > 滚动轴承 > 深沟球轴承】的型号,主要用在内燃机、机床主轴、汽车发动机、汽车、造纸机械、耕耘机、挤压机、洗染、地基处理机械、抓钢机等各大领域

 电话/微信:138-8949-5179

SKF 61911轴承详细信息

61911轴承是【SKF轴承 > 滚动轴承 > 深沟球轴承】的型号,主要用在内燃机、机床主轴、汽车发动机、汽车、造纸机械、耕耘机、挤压机、洗染、地基处理机械、抓钢机等各大领域。

SKF 61911轴承详细参数

深沟球轴承, 单列, 无密封件
主要数据尺寸基本负荷额定值疲劳负荷限值额定速度体积型号
动态静态参照速度限制速度
dDBCC0Pu
mmkNkNr/minkg-
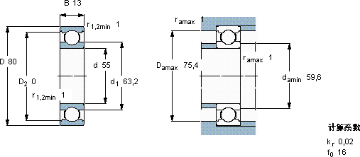
55801316,5140,617000110000,1961911

SKF 61911轴承尺寸图纸

李工:138-8949-5179

刘工:135-0428-8802

地址:辽宁省大连经济技术开发区现代城3栋-13-13号

在线客服系统