李工:138-8949-5179 刘工:135-0428-8802
型号查询
轴承型号   常见搜索: 6032轴承 71913轴承 617轴承 6011轴承 6900轴承 6013轴承
型号查询 X

轴承专区

Bearings Center

YAT 205轴承-SKF YAT 205轴承尺寸、图纸、价格

SKF YAT 205轴承

产品名称:YAT 205轴承 品牌:SKF
类型:SKF轴承 > 滚动轴承 > Y-轴承
描述:YAT 205轴承是【SKF轴承 > 滚动轴承 > Y-轴承】的型号,主要用在通用电动机、差速器小齿轮轴、汽车发动机、小齿轮轴、轧钢机齿轮箱座、机床等的变速装置、轧钢机轧制螺杆用减速机、饮料设备、工程船舶、刮泥机等各大领域

 电话/微信:138-8949-5179

SKF YAT 205轴承详细信息

YAT 205轴承是【SKF轴承 > 滚动轴承 > Y-轴承】的型号,主要用在通用电动机、差速器小齿轮轴、汽车发动机、小齿轮轴、轧钢机齿轮箱座、机床等的变速装置、轧钢机轧制螺杆用减速机、饮料设备、工程船舶、刮泥机等各大领域。

SKF YAT 205轴承详细参数

Y-轴承, 带平头螺钉锁定的, YAT 2
主要数据尺寸基本负荷额定值疲劳负荷限值限制速度体积型号
动态静态
dDBCCC0Pu用于轴公差h6
mmkNkNr/minkg-
255227,215147,80,33570000,14YAT 205

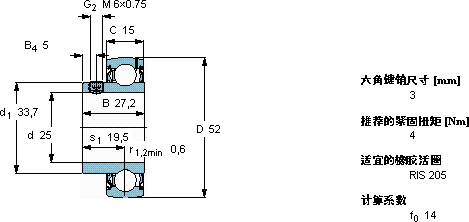
SKF YAT 205轴承尺寸图纸

李工:138-8949-5179

刘工:135-0428-8802

地址:辽宁省大连经济技术开发区现代城3栋-13-13号

在线客服系统