轴承专区
Bearings Center
YAT 203轴承-SKF YAT 203轴承尺寸、图纸、价格
SKF YAT 203轴承
| 产品名称: | YAT 203轴承 | 品牌: | SKF |
|---|---|---|---|
| 类型: | SKF轴承 > 滚动轴承 > Y-轴承 | ||
| 描述: | YAT 203轴承是【SKF轴承 > 滚动轴承 > Y-轴承】的型号,主要用在飞机喷气式发动机、燃料喷射泵、木工机械、齿轮减速装置、轧钢机辊道子、石油钻机、燃机、烟草机械、给料机械、厨具设备等各大领域 | ||
电话/微信:138-8949-5179
SKF YAT 203轴承详细信息
YAT 203轴承是【SKF轴承 > 滚动轴承 > Y-轴承】的型号,主要用在飞机喷气式发动机、燃料喷射泵、木工机械、齿轮减速装置、轧钢机辊道子、石油钻机、燃机、烟草机械、给料机械、厨具设备等各大领域。
SKF YAT 203轴承详细参数
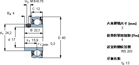
| Y-轴承, 带平头螺钉锁定的, YAT 2 | ||||||||||
| 主要数据尺寸 | 基本负荷额定值 | 疲劳负荷限值 | 限制速度 | 体积 | 型号 | |||||
| 动态 | 静态 | |||||||||
| d | D | B | C | C | C0 | Pu | 用于轴公差h6 | |||
| mm | kN | kN | r/min | kg | - | |||||
| 17 | 40 | 22,1 | 12 | 9,56 | 4,75 | 0,2 | 9500 | 0,074 | YAT 203 | |
SKF YAT 203轴承尺寸图纸

