轴承专区
Bearings Center
2 x 7060 BGM轴承-SKF 2 x 7060 BGM轴承尺寸、图纸、价格
SKF 2 x 7060 BGM轴承
| 产品名称: | 2 x 7060 BGM轴承 | 品牌: | SKF |
|---|---|---|---|
| 类型: | SKF轴承 > 滚动轴承 > 角接触球轴承 | ||
| 描述: | 2 x 7060 BGM轴承是【SKF轴承 > 滚动轴承 > 角接触球轴承】的型号,主要用在飞机喷气式发动机、燃料喷射泵、纺织机械传动轴、齿轮减速装置、造纸机械、石油钻机、燃机、玩具、给料机械、厨具设备等各大领域 | ||
电话/微信:138-8949-5179
SKF 2 x 7060 BGM轴承详细信息
2 x 7060 BGM轴承是【SKF轴承 > 滚动轴承 > 角接触球轴承】的型号,主要用在飞机喷气式发动机、燃料喷射泵、纺织机械传动轴、齿轮减速装置、造纸机械、石油钻机、燃机、玩具、给料机械、厨具设备等各大领域。
SKF 2 x 7060 BGM轴承详细参数
| 角接触球轴承, 单列,用于配对安装, 面对面配对 | |||||||||||
| 主要数据尺寸 | 基本负荷额定值 | 疲劳负荷限值 | 额定速度 | 体积 | 型号 | 轴承配对 | |||||
| 动态 | 静态 | 参照速度 | 限制速度 | ||||||||
| d | D | 2B | C | C0 | Pu | ||||||
| mm | kN | kN | r/min | kg | - | - | |||||
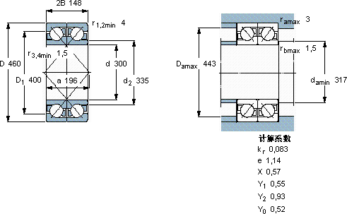
| 300 | 460 | 148 | 618 | 1270 | 27,5 | 1000 | 1500 | 85,0 | 2 × 7060 BGM | DF | |
SKF 2 x 7060 BGM轴承尺寸图纸

