李工:138-8949-5179 刘工:135-0428-8802
型号查询
轴承型号   常见搜索: 6016轴承 2025轴承 6005轴承 6020轴承 6009轴承 6008轴承
型号查询 X

轴承专区

Bearings Center

22312 EK + H 2312 *轴承-SKF 22312 EK + H 2312 *轴承尺寸、图纸、价格

SKF 22312 EK + H 2312 *轴承

产品名称:22312 EK + H 2312 *轴承 品牌:SKF
类型:SKF轴承 > 滚动轴承 > 球面滚子轴承
描述:22312 EK + H 2312 *轴承是【SKF轴承 > 滚动轴承 > 球面滚子轴承】的型号,主要用在装卸搬运机械、高频马达、压缩机、前轮、印刷机械、机床主轴、矿山、啤酒、混凝土机械、伽玛等各大领域

 电话/微信:138-8949-5179

SKF 22312 EK + H 2312 *轴承详细信息

22312 EK + H 2312 *轴承是【SKF轴承 > 滚动轴承 > 球面滚子轴承】的型号,主要用在装卸搬运机械、高频马达、压缩机、前轮、印刷机械、机床主轴、矿山、啤酒、混凝土机械、伽玛等各大领域。

SKF 22312 EK + H 2312 *轴承详细参数

球面滚子轴承, 带紧定套的
主要数据尺寸基本负荷额定值疲劳负荷限值额定速度体积型号
动态静态参照速度限制速度轴承 + 紧定套
d1DBCC0Pu
* - SKF Explorer 轴承
mmkNkNr/minkg-
551304631033536,5400053003,5022312 EK + H 2312 *

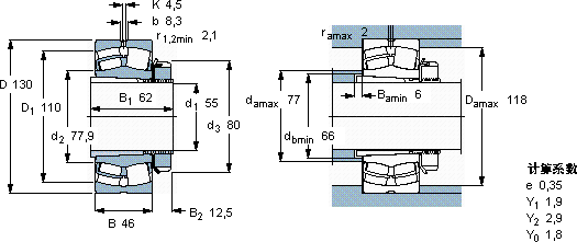
SKF 22312 EK + H 2312 *轴承尺寸图纸

李工:138-8949-5179

刘工:135-0428-8802

地址:辽宁省大连经济技术开发区现代城3栋-13-13号

在线客服系统