轴承专区
Bearings Center
YAR 207-2FW/VA201轴承-SKF YAR 207-2FW/VA201轴承尺寸、图纸、价格
SKF YAR 207-2FW/VA201轴承
| 产品名称: | YAR 207-2FW/VA201轴承 | 品牌: | SKF |
|---|---|---|---|
| 类型: | SKF轴承 > 滚动轴承 > Y-轴承 | ||
| 描述: | YAR 207-2FW/VA201轴承是【SKF轴承 > 滚动轴承 > Y-轴承】的型号,主要用在家用电器、机床主轴、中型及大型电动机、汽车、木工机械、耕耘机、塔吊、化纤机械、平地机、塔式车库等各大领域 | ||
电话/微信:138-8949-5179
SKF YAR 207-2FW/VA201轴承详细信息
YAR 207-2FW/VA201轴承是【SKF轴承 > 滚动轴承 > Y-轴承】的型号,主要用在家用电器、机床主轴、中型及大型电动机、汽车、木工机械、耕耘机、塔吊、化纤机械、平地机、塔式车库等各大领域。
SKF YAR 207-2FW/VA201轴承详细参数
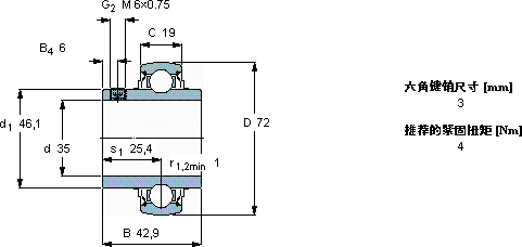
| Y-轴承, 用于高温 | |||||||
| 主要数据尺寸 | 基本负荷额定值 | 体积 | 型号 | ||||
| 静态 | |||||||
| d | D | B | C | C0 | |||
| mm | kN | kg | - | ||||
| 35 | 72 | 42,9 | 19 | 15,3 | 0,41 | YAR 207-2FW/VA201 | |
SKF YAR 207-2FW/VA201轴承尺寸图纸

