李工:138-8949-5179 刘工:135-0428-8802
型号查询
轴承型号   常见搜索: 6018轴承 6214轴承 6020轴承 23136轴承 2025轴承 6002轴承
型号查询 X

轴承专区

Bearings Center

T7FC 070T83/QCL7CDTC10 *轴承-SKF T7FC 070T83/QCL7CDTC10 *轴承尺寸、图纸、价格

SKF T7FC 070T83/QCL7CDTC10 *轴承

产品名称:T7FC 070T83/QCL7CDTC10 *轴承 品牌:SKF
类型:SKF轴承 > 滚动轴承 > 圆锥滚子轴承
描述:T7FC 070T83/QCL7CDTC10 *轴承是【SKF轴承 > 滚动轴承 > 圆锥滚子轴承】的型号,主要用在电气装置部件、小型汽车前轮、木工机械、差速器、轧钢机辊道子、耕耘机、船舶用螺旋桨轴、洗染、地基处理机械、伽玛等各大领域

 电话/微信:138-8949-5179

SKF T7FC 070T83/QCL7CDTC10 *轴承详细信息

T7FC 070T83/QCL7CDTC10 *轴承是【SKF轴承 > 滚动轴承 > 圆锥滚子轴承】的型号,主要用在电气装置部件、小型汽车前轮、木工机械、差速器、轧钢机辊道子、耕耘机、船舶用螺旋桨轴、洗染、地基处理机械、伽玛等各大领域。

SKF T7FC 070T83/QCL7CDTC10 *轴承详细参数

圆锥滚子轴承, 单列,前后配对
主要数据尺寸基本负荷额定值疲劳负荷限值额定速度体积型号
动态静态参照速度限制速度
dDBCC0Pu * - SKF Explorer 轴承
mmkNkNr/minkg-
7014083355480552800450011T7FC 070T83/QCL7CDTC10 *

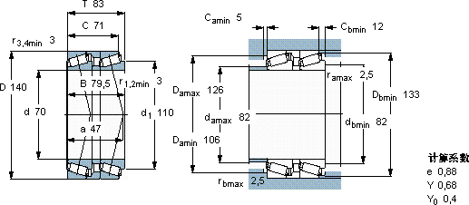
SKF T7FC 070T83/QCL7CDTC10 *轴承尺寸图纸

李工:138-8949-5179

刘工:135-0428-8802

地址:辽宁省大连经济技术开发区现代城3栋-13-13号

在线客服系统