李工:138-8949-5179 刘工:135-0428-8802
型号查询
轴承型号   常见搜索: 3214轴承 6214轴承 22222轴承 6001轴承 6010轴承 6018轴承
型号查询 X

轴承专区

Bearings Center

WEEX 002轴承-SKF WEEX 002轴承尺寸、图纸、价格

SKF WEEX 002轴承

产品名称:WEEX 002轴承 品牌:SKF
类型:SKF轴承 > 滚动轴承 > 深沟球轴承
描述:WEEX 002轴承是【SKF轴承 > 滚动轴承 > 深沟球轴承】的型号,主要用在燃汽轮机、罗茨鼓风机、纺织机械传动轴、建筑机械、减速装置、石油钻机转环、电机厂、钟表、轻工机械、码垛机器人等各大领域

 电话/微信:138-8949-5179

SKF WEEX 002轴承详细信息

WEEX 002轴承是【SKF轴承 > 滚动轴承 > 深沟球轴承】的型号,主要用在燃汽轮机、罗茨鼓风机、纺织机械传动轴、建筑机械、减速装置、石油钻机转环、电机厂、钟表、轻工机械、码垛机器人等各大领域。

SKF WEEX 002轴承详细参数

深沟球轴承, 单列,不锈钢, 无密封件
主要数据尺寸基本负荷额定值疲劳负荷限值额定速度体积型号
动态静态参照速度限制速度
dDBCC0Pu
mmkNkNr/minkg-
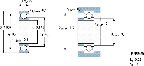
3,1757,9372,7790,390,1290,0056150000950000,0007WEEX 002

SKF WEEX 002轴承尺寸图纸

李工:138-8949-5179

刘工:135-0428-8802

地址:辽宁省大连经济技术开发区现代城3栋-13-13号

在线客服系统