轴承专区
Bearings Center
6004-RSH *轴承-SKF 6004-RSH *轴承尺寸、图纸、价格
SKF 6004-RSH *轴承
| 产品名称: | 6004-RSH *轴承 | 品牌: | SKF |
|---|---|---|---|
| 类型: | SKF轴承 > 滚动轴承 > 深沟球轴承 | ||
| 描述: | 6004-RSH *轴承是【SKF轴承 > 滚动轴承 > 深沟球轴承】的型号,主要用在后轮、空气压缩机、挖土机履带轮、大型农业机械、振动筛、汽车转向销、水力发电机、薄膜拉伸、掘进机、焊接机器人等各大领域 | ||
电话/微信:138-8949-5179
SKF 6004-RSH *轴承详细信息
6004-RSH *轴承是【SKF轴承 > 滚动轴承 > 深沟球轴承】的型号,主要用在后轮、空气压缩机、挖土机履带轮、大型农业机械、振动筛、汽车转向销、水力发电机、薄膜拉伸、掘进机、焊接机器人等各大领域。
SKF 6004-RSH *轴承详细参数
| 深沟球轴承, 单列, 单面密封件 | |||||||||||
| 主要数据尺寸 | 基本负荷额定值 | 疲劳负荷限值 | 额定速度 | 体积 | 型号 | ||||||
| 动态 | 静态 | 参照速度 | 限制速度 | ||||||||
| d | D | B | C | C0 | Pu | * - SKF Explorer 轴承 | |||||
| mm | kN | kN | r/min | kg | - | ||||||
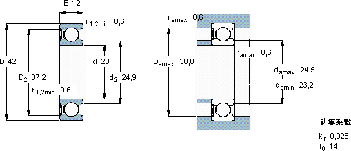
| 20 | 42 | 12 | 9,95 | 5 | 0,212 | - | 11000 | 0,069 | 6004-RSH * | ||
SKF 6004-RSH *轴承尺寸图纸

