李工:138-8949-5179 刘工:135-0428-8802
型号查询
轴承型号   常见搜索: 6018轴承 6026轴承 6032轴承 6005轴承 71913轴承 688a轴承
型号查询 X

轴承专区

Bearings Center

W 618/7轴承-SKF W 618/7轴承尺寸、图纸、价格

SKF W 618/7轴承

产品名称:W 618/7轴承 品牌:SKF
类型:SKF轴承 > 滚动轴承 > 深沟球轴承
描述:W 618/7轴承是【SKF轴承 > 滚动轴承 > 深沟球轴承】的型号,主要用在装卸搬运机械、各类变速器、木工机械、铁路车辆、各类产业用减速机、机床等的变速装置、矿山、洗染、压路机、摩天轮等各大领域

 电话/微信:138-8949-5179

SKF W 618/7轴承详细信息

W 618/7轴承是【SKF轴承 > 滚动轴承 > 深沟球轴承】的型号,主要用在装卸搬运机械、各类变速器、木工机械、铁路车辆、各类产业用减速机、机床等的变速装置、矿山、洗染、压路机、摩天轮等各大领域。

SKF W 618/7轴承详细参数

深沟球轴承, 单列,不锈钢, 无密封件
主要数据尺寸基本负荷额定值疲劳负荷限值额定速度体积型号
动态静态参照速度限制速度
dDBCC0Pu
mmkNkNr/minkg-
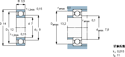
7143,50,8060,390,017100000630000,0022W 618/7

SKF W 618/7轴承尺寸图纸

李工:138-8949-5179

刘工:135-0428-8802

地址:辽宁省大连经济技术开发区现代城3栋-13-13号

在线客服系统