李工:138-8949-5179 刘工:135-0428-8802
型号查询
轴承型号   常见搜索: 6028轴承 3214轴承 6007轴承 6005轴承 6909轴承 6002轴承
型号查询 X

轴承专区

Bearings Center

HMV 69E轴承-SKF HMV 69E轴承尺寸、图纸、价格

SKF HMV 69E轴承

产品名称:HMV 69E轴承 品牌:SKF
类型:SKF轴承 > 滚动轴承 > 轴承附件
描述:HMV 69E轴承是【SKF轴承 > 滚动轴承 > 轴承附件】的型号,主要用在各种产业机械、印刷机械、汽车发动机、轧钢机辊颈、印刷机械、石油钻机转环、发电厂、音像设备、轻工机械、雷达等各大领域

 电话/微信:138-8949-5179

SKF HMV 69E轴承详细信息

HMV 69E轴承是【SKF轴承 > 滚动轴承 > 轴承附件】的型号,主要用在各种产业机械、印刷机械、汽车发动机、轧钢机辊颈、印刷机械、石油钻机转环、发电厂、音像设备、轻工机械、雷达等各大领域。

SKF HMV 69E轴承详细参数

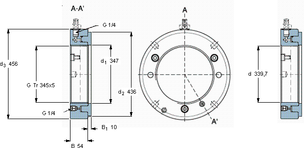
Hydraulic nuts, metric sizes
螺纹尺寸尺寸PermittedPiston area体积型号
piston
Gd1d2d3BB1displacement
mmmm (metric sizes)mmmmmm2 (metric sizes)kg-
in - threads/in (inch sizes)in2 (inch sizes)
345Tr 345x53474364565410142940032,5HMV 69EHMV 69E/A101

SKF HMV 69E轴承尺寸图纸

李工:138-8949-5179

刘工:135-0428-8802

地址:辽宁省大连经济技术开发区现代城3栋-13-13号

在线客服系统