轴承专区
Bearings Center
W 04轴承-SKF W 04轴承尺寸、图纸、价格
SKF W 04轴承
| 产品名称: | W 04轴承 | 品牌: | SKF |
|---|---|---|---|
| 类型: | SKF轴承 > 滚动轴承 > 轴承附件 | ||
| 描述: | W 04轴承是【SKF轴承 > 滚动轴承 > 轴承附件】的型号,主要用在燃汽轮机、罗茨鼓风机、木工机械、建筑机械、破碎机、制铁制钢机械、电机厂、玩具、起重机械、码垛机器人等各大领域 | ||
电话/微信:138-8949-5179
SKF W 04轴承详细信息
W 04轴承是【SKF轴承 > 滚动轴承 > 轴承附件】的型号,主要用在燃汽轮机、罗茨鼓风机、木工机械、建筑机械、破碎机、制铁制钢机械、电机厂、玩具、起重机械、码垛机器人等各大领域。
SKF W 04轴承详细参数
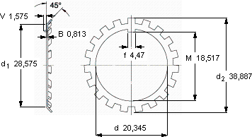
| W锁紧垫圈, 英制尺寸 | ||||||
| 尺寸 | 体积 | 型号 | ||||
| 锁紧垫圈 | 适宜的锁定螺母 | |||||
| d | d2 | B | ||||
| mm | kg | - | ||||
| 20,345 | 38,887 | 0,813 | 0,007 | W 04 | N 04 | |
SKF W 04轴承尺寸图纸

