轴承专区
Bearings Center
SYJ 30 KF轴承-SKF SYJ 30 KF轴承尺寸、图纸、价格
SKF SYJ 30 KF轴承
| 产品名称: | SYJ 30 KF轴承 | 品牌: | SKF |
|---|---|---|---|
| 类型: | SKF轴承 > 轴承单元 > Y-轴承座单元 | ||
| 描述: | SYJ 30 KF轴承是【SKF轴承 > 轴承单元 > Y-轴承座单元】的型号,主要用在农业机械、燃料喷射泵、纺织机械传动轴、齿轮减速装置、铁路车辆车轴、起重机吊钩、钢铁厂、电子、强夯机、机场加油机等各大领域 | ||
电话/微信:138-8949-5179
SKF SYJ 30 KF轴承详细信息
SYJ 30 KF轴承是【SKF轴承 > 轴承单元 > Y-轴承座单元】的型号,主要用在农业机械、燃料喷射泵、纺织机械传动轴、齿轮减速装置、铁路车辆车轴、起重机吊钩、钢铁厂、电子、强夯机、机场加油机等各大领域。
SKF SYJ 30 KF轴承详细参数
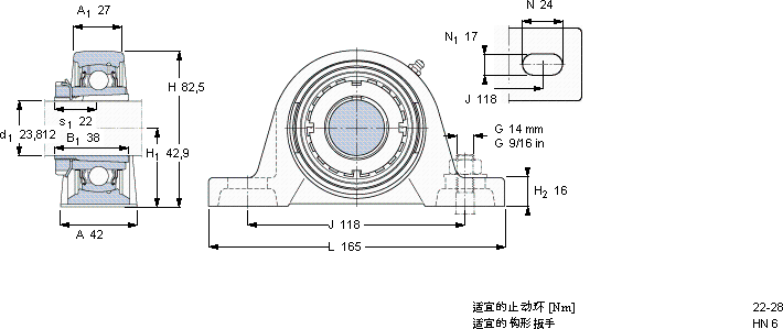
| Y-型立式轴承座单元, 铸造轴承座,紧定套 | |||||||||||||
| 尺寸 | 基本负荷额定值 | 限制速度 | 质量 | 型号 | |||||||||
| 动态 | 静态 | 轴承单元 | 轴承座 | 轴承 | 紧定套 | ||||||||
| 无紧定套 | |||||||||||||
| d1 | A | H | H1 | L | C | C0 | |||||||
| mm | kN | r/min | kg | - | |||||||||
| 23,812 | 42 | 82,5 | 42,9 | 165 | 19,5 | 11,2 | 6300 | 0,90 | SYJ 30 KF | SYJ 506 | YSA 206-2FK | HA 2306 | |
SKF SYJ 30 KF轴承尺寸图纸

