李工:138-8949-5179 刘工:135-0428-8802
型号查询
轴承型号   常见搜索: 6909轴承 6022轴承 2026轴承 6214轴承 6015轴承 32313轴承
型号查询 X

轴承专区

Bearings Center

SALKB 18 F轴承-SKF SALKB 18 F轴承尺寸、图纸、价格

SKF SALKB 18 F轴承

产品名称:SALKB 18 F轴承 品牌:SKF
类型:SKF轴承 > 球面滑动轴承和杆端关节轴承 > 免维护的杆端关节轴承
描述:SALKB 18 F轴承是【SKF轴承 > 球面滑动轴承和杆端关节轴承 > 免维护的杆端关节轴承】的型号,主要用在建筑机械、离心分离机、中型及大型电动机、变速器、轧钢机齿轮箱座、制铁制钢机械、成形机、音像设备、起重机械、港口起重机等各大领域

 电话/微信:138-8949-5179

SKF SALKB 18 F轴承详细信息

SALKB 18 F轴承是【SKF轴承 > 球面滑动轴承和杆端关节轴承 > 免维护的杆端关节轴承】的型号,主要用在建筑机械、离心分离机、中型及大型电动机、变速器、轧钢机齿轮箱座、制铁制钢机械、成形机、音像设备、起重机械、港口起重机等各大领域。

SKF SALKB 18 F轴承详细参数

免维护杆端, 阳螺纹, 钢/PTFE复合材料
主要数据尺寸角度倾的基本负荷额定值质量型号
动态静态轴承座完全与密封件
dd2Bd3C1h±CC0
6g
mm度数kNkg-
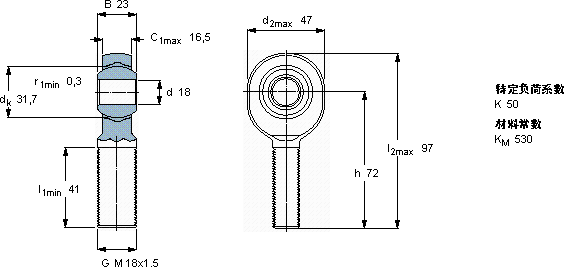
184723M 18x1.516,572152641,50,29SALKB 18 F

SKF SALKB 18 F轴承尺寸图纸

李工:138-8949-5179

刘工:135-0428-8802

地址:辽宁省大连经济技术开发区现代城3栋-13-13号

在线客服系统