轴承专区
Bearings Center
316737 AC轴承-SKF 316737 AC轴承尺寸、图纸、价格
SKF 316737 AC轴承
| 产品名称: | 316737 AC轴承 | 品牌: | SKF |
|---|---|---|---|
| 类型: | SKF轴承 > 滚动轴承 > 多辊式轧钢机支承轴承 | ||
| 描述: | 316737 AC轴承是【SKF轴承 > 滚动轴承 > 多辊式轧钢机支承轴承】的型号,主要用在农业机械、燃汽轮机、泵、后轮、铁路车辆车轴、石油钻机、钢铁厂、烟草机械、给料机械、刮泥机等各大领域 | ||
电话/微信:138-8949-5179
SKF 316737 AC轴承详细信息
316737 AC轴承是【SKF轴承 > 滚动轴承 > 多辊式轧钢机支承轴承】的型号,主要用在农业机械、燃汽轮机、泵、后轮、铁路车辆车轴、石油钻机、钢铁厂、烟草机械、给料机械、刮泥机等各大领域。
SKF 316737 AC轴承详细参数
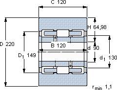
| 用于多辊轧机的背辊轴承, 用于多辊轧机的背辊轴承 | |||||||||||
| 主要数据尺寸 | 基本负荷额定值 | 最大径向负荷 | 体积 | 型号 | |||||||
| 滚子 | |||||||||||
| 动态 | 静态 | 动态 | 静态 | ||||||||
| D | d | B | C | H | C | C0 | Fr | F0r | |||
| mm | kN | kN | kg | - | |||||||
| 220 | 90 | 120 | 120 | 64,98 | 495 | 735 | 390 | 550 | 26,5 | 316737 AC | |
SKF 316737 AC轴承尺寸图纸

