轴承专区
Bearings Center
SILA 50 ES-2RS轴承-SKF SILA 50 ES-2RS轴承尺寸、图纸、价格
SKF SILA 50 ES-2RS轴承
| 产品名称: | SILA 50 ES-2RS轴承 | 品牌: | SKF |
|---|---|---|---|
| 类型: | SKF轴承 > 球面滑动轴承和杆端关节轴承 > 需维护的杆端关节轴承 | ||
| 描述: | SILA 50 ES-2RS轴承是【SKF轴承 > 球面滑动轴承和杆端关节轴承 > 需维护的杆端关节轴承】的型号,主要用在农业机械、小型汽车前轮、压缩机、差速器、造纸机械、耕耘机、钢铁厂、陶瓷机械、平地机、机场加油机等各大领域 | ||
电话/微信:138-8949-5179
SKF SILA 50 ES-2RS轴承详细信息
SILA 50 ES-2RS轴承是【SKF轴承 > 球面滑动轴承和杆端关节轴承 > 需维护的杆端关节轴承】的型号,主要用在农业机械、小型汽车前轮、压缩机、差速器、造纸机械、耕耘机、钢铁厂、陶瓷机械、平地机、机场加油机等各大领域。
SKF SILA 50 ES-2RS轴承详细参数
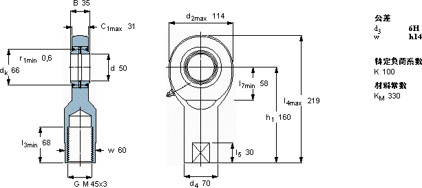
| 需要维护的杆端, 钢对钢,阴螺纹, 两面密封件 | |||||||||||
| 主要数据尺寸 | 角度倾的 | 基本负荷额定值 | 质量 | 型号 | |||||||
| 动态 | 静态 | 杆端带右或左旋螺纹 | |||||||||
| d | d2 | B | d3 | C1 | h1 | ± | C | C0 | |||
| 6H | |||||||||||
| mm | 度数 | kN | kg | - | |||||||
| 50 | 114 | 35 | M 45x3 | 31 | 160 | 6 | 156 | 270 | 4,10 | SILA 50 ES-2RS | |
SKF SILA 50 ES-2RS轴承尺寸图纸

