轴承专区
Bearings Center
SYJ 25 KF轴承-SKF SYJ 25 KF轴承尺寸、图纸、价格
SKF SYJ 25 KF轴承
| 产品名称: | SYJ 25 KF轴承 | 品牌: | SKF |
|---|---|---|---|
| 类型: | SKF轴承 > 轴承单元 > Y-轴承座单元 | ||
| 描述: | SYJ 25 KF轴承是【SKF轴承 > 轴承单元 > Y-轴承座单元】的型号,主要用在铁路车辆、空气压缩机、压缩机、大型农业机械、造纸机械、耕耘机、冶炼厂、玩具、平地机、吹氧装置等各大领域 | ||
电话/微信:138-8949-5179
SKF SYJ 25 KF轴承详细信息
SYJ 25 KF轴承是【SKF轴承 > 轴承单元 > Y-轴承座单元】的型号,主要用在铁路车辆、空气压缩机、压缩机、大型农业机械、造纸机械、耕耘机、冶炼厂、玩具、平地机、吹氧装置等各大领域。
SKF SYJ 25 KF轴承详细参数
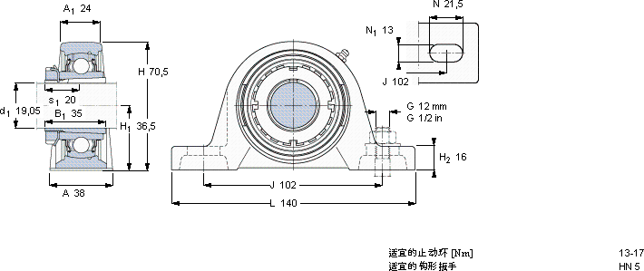
| Y-型立式轴承座单元, 铸造轴承座,紧定套 | |||||||||||||
| 尺寸 | 基本负荷额定值 | 限制速度 | 质量 | 型号 | |||||||||
| 动态 | 静态 | 轴承单元 | 轴承座 | 轴承 | 紧定套 | ||||||||
| 无紧定套 | |||||||||||||
| d1 | A | H | H1 | L | C | C0 | |||||||
| mm | kN | r/min | kg | - | |||||||||
| 19,05 | 38 | 70,5 | 36,5 | 140 | 14 | 7,8 | 7000 | 0,63 | SYJ 25 KF | SYJ 505 | YSA 205-2FK | HE 2305 | |
SKF SYJ 25 KF轴承尺寸图纸

