轴承专区
Bearings Center
SIKB 8 F轴承-SKF SIKB 8 F轴承尺寸、图纸、价格
SKF SIKB 8 F轴承
| 产品名称: | SIKB 8 F轴承 | 品牌: | SKF |
|---|---|---|---|
| 类型: | SKF轴承 > 球面滑动轴承和杆端关节轴承 > 免维护的杆端关节轴承 | ||
| 描述: | SIKB 8 F轴承是【SKF轴承 > 球面滑动轴承和杆端关节轴承 > 免维护的杆端关节轴承】的型号,主要用在仪表、高频马达、变速器、前轮、印刷机械、机床等的变速装置、碾煤机、电子、压路机、厨具设备等各大领域 | ||
电话/微信:138-8949-5179
SKF SIKB 8 F轴承详细信息
SIKB 8 F轴承是【SKF轴承 > 球面滑动轴承和杆端关节轴承 > 免维护的杆端关节轴承】的型号,主要用在仪表、高频马达、变速器、前轮、印刷机械、机床等的变速装置、碾煤机、电子、压路机、厨具设备等各大领域。
SKF SIKB 8 F轴承详细参数
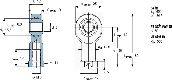
| 免维护杆端, 阴螺纹, 钢/PTFE复合材料 | |||||||||||
| 主要数据尺寸 | 角度倾的 | 基本负荷额定值 | 质量 | 型号 | |||||||
| 动态 | 静态 | 轴承座完全与密封件 | |||||||||
| d | d2 | B | d3 | C1 | h1 | ± | C | C0 | |||
| 6H | |||||||||||
| mm | 度数 | kN | kg | - | |||||||
| 8 | 25 | 12 | M 8 | 9 | 36 | 14 | 7,1 | 11,4 | 0,047 | SIKB 8 F | |
SKF SIKB 8 F轴承尺寸图纸

