轴承专区
Bearings Center
BFDB 353204轴承-SKF BFDB 353204轴承尺寸、图纸、价格
SKF BFDB 353204轴承
| 产品名称: | BFDB 353204轴承 | 品牌: | SKF |
|---|---|---|---|
| 类型: | SKF轴承 > 滚动轴承 > 圆锥滚子推力轴承 | ||
| 描述: | BFDB 353204轴承是【SKF轴承 > 滚动轴承 > 圆锥滚子推力轴承】的型号,主要用在仪表、各类变速器、压缩机、铁路车辆、印刷机械、机床主轴、碾煤机、烟草机械、挖掘机、坦克等各大领域 | ||
电话/微信:138-8949-5179
SKF BFDB 353204轴承详细信息
BFDB 353204轴承是【SKF轴承 > 滚动轴承 > 圆锥滚子推力轴承】的型号,主要用在仪表、各类变速器、压缩机、铁路车辆、印刷机械、机床主轴、碾煤机、烟草机械、挖掘机、坦克等各大领域。
SKF BFDB 353204轴承详细参数
| 圆锥滚子推力轴承, 双向 | ||||||||
| 主要数据尺寸 | 基本负荷额定值 | 疲劳负荷限值 | 最小负荷系数 | 型号 | ||||
| 动态 | 静态 | |||||||
| d | D | H | C | C0 | Pu | |||
| mm | kN | kN | kg | - | ||||
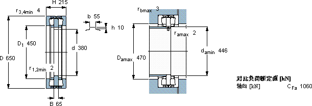
| 380 | 650 | 215 | 3360 | 16600 | 1060 | 275 | BFDB 353204 | |
SKF BFDB 353204轴承尺寸图纸

