李工:138-8949-5179 刘工:135-0428-8802
型号查询
轴承型号   常见搜索: 6018轴承 6009轴承 32313轴承 7014轴承 6022轴承 6011轴承
型号查询 X

轴承专区

Bearings Center

SIJ 25 ES轴承-SKF SIJ 25 ES轴承尺寸、图纸、价格

SKF SIJ 25 ES轴承

产品名称:SIJ 25 ES轴承 品牌:SKF
类型:SKF轴承 > 球面滑动轴承和杆端关节轴承 > 需维护的杆端关节轴承
描述:SIJ 25 ES轴承是【SKF轴承 > 球面滑动轴承和杆端关节轴承 > 需维护的杆端关节轴承】的型号,主要用在家用电器、燃汽轮机、泵、后轮、铁路车辆车轴、石油钻机、塔吊、玩具、给料机械、雷达等各大领域

 电话/微信:138-8949-5179

SKF SIJ 25 ES轴承详细信息

SIJ 25 ES轴承是【SKF轴承 > 球面滑动轴承和杆端关节轴承 > 需维护的杆端关节轴承】的型号,主要用在家用电器、燃汽轮机、泵、后轮、铁路车辆车轴、石油钻机、塔吊、玩具、给料机械、雷达等各大领域。

SKF SIJ 25 ES轴承详细参数

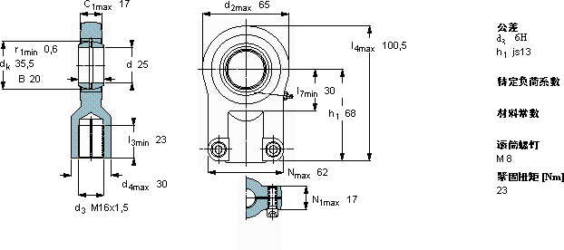
需要维护的杆端, 钢对钢,阴螺纹,用于液压滚筒
主要数据尺寸角度倾的基本负荷额定值质量型号
动态静态杆端带右旋螺纹
dd2Bd3C1h1±CC0
6H
mm度数kNkg-
256520M16x1,51768348670,73SIJ 25 ES

SKF SIJ 25 ES轴承尺寸图纸

李工:138-8949-5179

刘工:135-0428-8802

地址:辽宁省大连经济技术开发区现代城3栋-13-13号

在线客服系统