轴承专区
Bearings Center
2 x 7310 BEGAF轴承-SKF 2 x 7310 BEGAF轴承尺寸、图纸、价格
SKF 2 x 7310 BEGAF轴承
| 产品名称: | 2 x 7310 BEGAF轴承 | 品牌: | SKF |
|---|---|---|---|
| 类型: | SKF轴承 > 滚动轴承 > 角接触球轴承 | ||
| 描述: | 2 x 7310 BEGAF轴承是【SKF轴承 > 滚动轴承 > 角接触球轴承】的型号,主要用在各种产业机械、高频马达、木工机械、前轮、减速装置、机床主轴、发电厂、电子、挖掘机、冶金起重机等各大领域 | ||
电话/微信:138-8949-5179
SKF 2 x 7310 BEGAF轴承详细信息
2 x 7310 BEGAF轴承是【SKF轴承 > 滚动轴承 > 角接触球轴承】的型号,主要用在各种产业机械、高频马达、木工机械、前轮、减速装置、机床主轴、发电厂、电子、挖掘机、冶金起重机等各大领域。
SKF 2 x 7310 BEGAF轴承详细参数
| 角接触球轴承, 单列,用于配对安装, 面对面配对 | |||||||||||
| 主要数据尺寸 | 基本负荷额定值 | 疲劳负荷限值 | 额定速度 | 体积 | 型号 | 轴承配对 | |||||
| 动态 | 静态 | 参照速度 | 限制速度 | ||||||||
| d | D | 2B | C | C0 | Pu | ||||||
| mm | kN | kN | r/min | kg | - | - | |||||
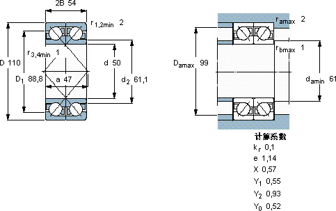
| 50 | 110 | 54 | 112 | 95 | 4 | 6000 | 7500 | 2,30 | 2 × 7310 BEGAF | DF | |
SKF 2 x 7310 BEGAF轴承尺寸图纸

