轴承专区
Bearings Center
SI 25 ES轴承-SKF SI 25 ES轴承尺寸、图纸、价格
SKF SI 25 ES轴承
| 产品名称: | SI 25 ES轴承 | 品牌: | SKF |
|---|---|---|---|
| 类型: | SKF轴承 > 球面滑动轴承和杆端关节轴承 > 需维护的杆端关节轴承 | ||
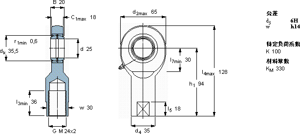
| 描述: | SI 25 ES轴承是【SKF轴承 > 球面滑动轴承和杆端关节轴承 > 需维护的杆端关节轴承】的型号,主要用在建筑机械、印刷机械、泵、轧钢机辊颈、轧钢机齿轮箱座、制铁制钢机械、成形机、陶瓷机械、堆取料机、焊接机器人等各大领域 | ||
电话/微信:138-8949-5179
SKF SI 25 ES轴承详细信息
SI 25 ES轴承是【SKF轴承 > 球面滑动轴承和杆端关节轴承 > 需维护的杆端关节轴承】的型号,主要用在建筑机械、印刷机械、泵、轧钢机辊颈、轧钢机齿轮箱座、制铁制钢机械、成形机、陶瓷机械、堆取料机、焊接机器人等各大领域。
SKF SI 25 ES轴承详细参数
| 需要维护的杆端, 钢对钢,阴螺纹 | |||||||||||
| 主要数据尺寸 | 角度倾的 | 基本负荷额定值 | 质量 | 型号 | |||||||
| 动态 | 静态 | 杆端带右或左旋螺纹 | |||||||||
| d | d2 | B | d3 | C1 | h1 | ± | C | C0 | |||
| 6H | |||||||||||
| mm | 度数 | kN | kg | - | |||||||
| 25 | 65 | 20 | M 24x2 | 18 | 94 | 7 | 48 | 90 | 0,65 | SI 25 ES | |
SKF SI 25 ES轴承尺寸图纸

