轴承专区
Bearings Center
SC 35 ES轴承-SKF SC 35 ES轴承尺寸、图纸、价格
SKF SC 35 ES轴承
| 产品名称: | SC 35 ES轴承 | 品牌: | SKF |
|---|---|---|---|
| 类型: | SKF轴承 > 球面滑动轴承和杆端关节轴承 > 需维护的杆端关节轴承 | ||
| 描述: | SC 35 ES轴承是【SKF轴承 > 球面滑动轴承和杆端关节轴承 > 需维护的杆端关节轴承】的型号,主要用在装卸搬运机械、差速器小齿轮轴、减速装置、小齿轮轴、印刷机械、机床等的变速装置、矿山、烟草机械、压路机、风力发电设备等各大领域 | ||
电话/微信:138-8949-5179
SKF SC 35 ES轴承详细信息
SC 35 ES轴承是【SKF轴承 > 球面滑动轴承和杆端关节轴承 > 需维护的杆端关节轴承】的型号,主要用在装卸搬运机械、差速器小齿轮轴、减速装置、小齿轮轴、印刷机械、机床等的变速装置、矿山、烟草机械、压路机、风力发电设备等各大领域。
SKF SC 35 ES轴承详细参数
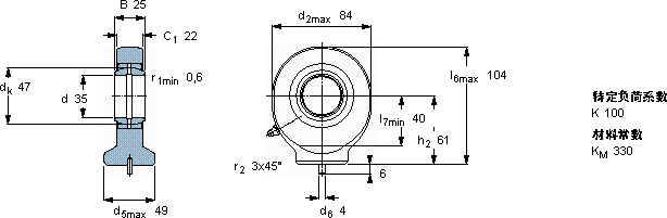
| 需要维护的杆端, 钢对钢,焊接柄 | ||||||||||
| 主要数据尺寸 | 角度倾的 | 基本负荷额定值 | 质量 | 型号 | ||||||
| 动态 | 静态 | |||||||||
| d | d2 | B | C1 | h2 | ± | C | C0 | |||
| 最大 | ||||||||||
| mm | 度数 | kN | kg | - | ||||||
| 35 | 84 | 25 | 22 | 61 | 6 | 80 | 112 | 1,00 | SC 35 ES | |
SKF SC 35 ES轴承尺寸图纸

