轴承专区
Bearings Center
6030-2Z轴承-SKF 6030-2Z轴承尺寸、图纸、价格
SKF 6030-2Z轴承
| 产品名称: | 6030-2Z轴承 | 品牌: | SKF |
|---|---|---|---|
| 类型: | SKF轴承 > 滚动轴承 > 深沟球轴承 | ||
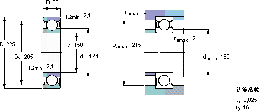
| 描述: | 6030-2Z轴承是【SKF轴承 > 滚动轴承 > 深沟球轴承】的型号,主要用在变速器、差速器小齿轮轴、桥式起重机、小齿轮轴、印刷机械、机床主轴、立式电动机、薄膜拉伸、混凝土机械、吹氧装置等各大领域 | ||
电话/微信:138-8949-5179
SKF 6030-2Z轴承详细信息
6030-2Z轴承是【SKF轴承 > 滚动轴承 > 深沟球轴承】的型号,主要用在变速器、差速器小齿轮轴、桥式起重机、小齿轮轴、印刷机械、机床主轴、立式电动机、薄膜拉伸、混凝土机械、吹氧装置等各大领域。
SKF 6030-2Z轴承详细参数
| 深沟球轴承, 单列, 两面防尘罩 | |||||||||||
| 主要数据尺寸 | 基本负荷额定值 | 疲劳负荷限值 | 额定速度 | 体积 | 型号 | ||||||
| 动态 | 静态 | 参照速度 | 限制速度 | ||||||||
| d | D | B | C | C0 | Pu | ||||||
| mm | kN | kN | r/min | kg | - | ||||||
| 150 | 225 | 35 | 125 | 125 | 3,9 | 6000 | 3000 | 4,80 | 6030-2Z | ||
SKF 6030-2Z轴承尺寸图纸

