李工:138-8949-5179 刘工:135-0428-8802
型号查询
轴承型号   常见搜索: 6013轴承 6001轴承 6018轴承 6205轴承 6022轴承 6028轴承
型号查询 X

轴承专区

Bearings Center

SALKB 14 F轴承-SKF SALKB 14 F轴承尺寸、图纸、价格

SKF SALKB 14 F轴承

产品名称:SALKB 14 F轴承 品牌:SKF
类型:SKF轴承 > 球面滑动轴承和杆端关节轴承 > 免维护的杆端关节轴承
描述:SALKB 14 F轴承是【SKF轴承 > 球面滑动轴承和杆端关节轴承 > 免维护的杆端关节轴承】的型号,主要用在燃汽轮机、罗茨鼓风机、变速器、建筑机械、破碎机、制铁制钢机械、电机厂、陶瓷机械、堆取料机、码垛机器人等各大领域

 电话/微信:138-8949-5179

SKF SALKB 14 F轴承详细信息

SALKB 14 F轴承是【SKF轴承 > 球面滑动轴承和杆端关节轴承 > 免维护的杆端关节轴承】的型号,主要用在燃汽轮机、罗茨鼓风机、变速器、建筑机械、破碎机、制铁制钢机械、电机厂、陶瓷机械、堆取料机、码垛机器人等各大领域。

SKF SALKB 14 F轴承详细参数

免维护杆端, 阳螺纹, 钢/PTFE复合材料
主要数据尺寸角度倾的基本负荷额定值质量型号
动态静态轴承座完全与密封件
dd2Bd3C1h±CC0
6g
mm度数kNkg-
143719M 1413,560161725,50,14SALKB 14 F

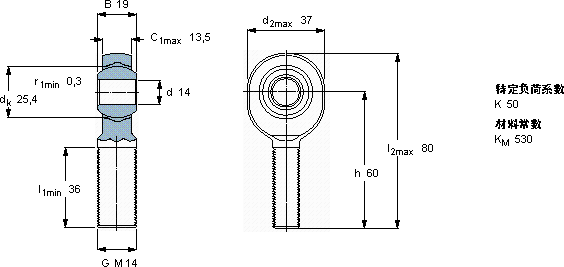
SKF SALKB 14 F轴承尺寸图纸

李工:138-8949-5179

刘工:135-0428-8802

地址:辽宁省大连经济技术开发区现代城3栋-13-13号

在线客服系统