轴承专区
Bearings Center
SALKAC 18 M轴承-SKF SALKAC 18 M轴承尺寸、图纸、价格
SKF SALKAC 18 M轴承
| 产品名称: | SALKAC 18 M轴承 | 品牌: | SKF |
|---|---|---|---|
| 类型: | SKF轴承 > 球面滑动轴承和杆端关节轴承 > 需维护的杆端关节轴承 | ||
| 描述: | SALKAC 18 M轴承是【SKF轴承 > 球面滑动轴承和杆端关节轴承 > 需维护的杆端关节轴承】的型号,主要用在变速器、罗茨鼓风机、中型及大型电动机、建筑机械、各类产业用减速机、制铁制钢机械、立式电动机、钟表、堆取料机、正面吊等各大领域 | ||
电话/微信:138-8949-5179
SKF SALKAC 18 M轴承详细信息
SALKAC 18 M轴承是【SKF轴承 > 球面滑动轴承和杆端关节轴承 > 需维护的杆端关节轴承】的型号,主要用在变速器、罗茨鼓风机、中型及大型电动机、建筑机械、各类产业用减速机、制铁制钢机械、立式电动机、钟表、堆取料机、正面吊等各大领域。
SKF SALKAC 18 M轴承详细参数
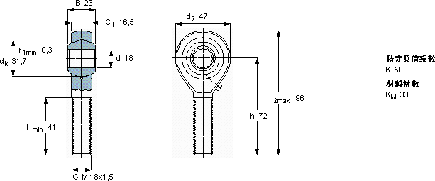
| 需要维护的杆端, 钢对青铜,阳螺纹 | |||||||||||
| 主要数据尺寸 | 角度倾的 | 基本负荷额定值 | 质量 | 型号 | |||||||
| 动态 | 静态 | 轴承座完全与 | |||||||||
| d | d2 | B | d3 | C1 | h | ± | C | C0 | |||
| 6g | |||||||||||
| mm | 度数 | kN | kg | - | |||||||
| 18 | 47 | 23 | M 18x1,5 | 16,5 | 72 | 15 | 26 | 29 | 0,29 | SALKAC 18 M | |
SKF SALKAC 18 M轴承尺寸图纸

