轴承专区
Bearings Center
23222 CCK/W33 + H 2322轴承-SKF 23222 CCK/W33 + H 2322轴承尺寸、图纸、价格
SKF 23222 CCK/W33 + H 2322轴承
| 产品名称: | 23222 CCK/W33 + H 2322轴承 | 品牌: | SKF |
|---|---|---|---|
| 类型: | SKF轴承 > 滚动轴承 > 球面滚子轴承 | ||
| 描述: | 23222 CCK/W33 + H 2322轴承是【SKF轴承 > 滚动轴承 > 球面滚子轴承】的型号,主要用在飞机喷气式发动机、空气压缩机、燃汽轮机、大型农业机械、木工机械、汽车转向销、燃机、洗染、掘进机、钢包回转台等各大领域 | ||
电话/微信:138-8949-5179
SKF 23222 CCK/W33 + H 2322轴承详细信息
23222 CCK/W33 + H 2322轴承是【SKF轴承 > 滚动轴承 > 球面滚子轴承】的型号,主要用在飞机喷气式发动机、空气压缩机、燃汽轮机、大型农业机械、木工机械、汽车转向销、燃机、洗染、掘进机、钢包回转台等各大领域。
SKF 23222 CCK/W33 + H 2322轴承详细参数
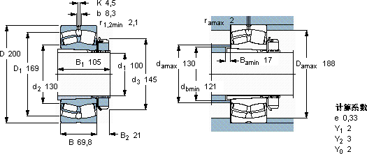
| 球面滚子轴承, 带紧定套的 | ||||||||||
| 主要数据尺寸 | 基本负荷额定值 | 疲劳负荷限值 | 额定速度 | 体积 | 型号 | |||||
| 动态 | 静态 | 参照速度 | 限制速度 | 轴承 + 紧定套 | ||||||
| d1 | D | B | C | C0 | Pu | |||||
| mm | kN | kN | r/min | kg | - | |||||
| 100 | 200 | 69,8 | 600 | 765 | 76,5 | 2200 | 3200 | 12,5 | 23222 CCK/W33 + H 2322 | |
SKF 23222 CCK/W33 + H 2322轴承尺寸图纸

