轴承专区
Bearings Center
SALKAC 12 M轴承-SKF SALKAC 12 M轴承尺寸、图纸、价格
SKF SALKAC 12 M轴承
| 产品名称: | SALKAC 12 M轴承 | 品牌: | SKF |
|---|---|---|---|
| 类型: | SKF轴承 > 球面滑动轴承和杆端关节轴承 > 需维护的杆端关节轴承 | ||
| 描述: | SALKAC 12 M轴承是【SKF轴承 > 球面滑动轴承和杆端关节轴承 > 需维护的杆端关节轴承】的型号,主要用在装卸搬运机械、高频马达、挖土机履带轮、前轮、轧钢机齿轮箱座、机床等的变速装置、矿山、陶瓷机械、工程船舶、伽玛等各大领域 | ||
电话/微信:138-8949-5179
SKF SALKAC 12 M轴承详细信息
SALKAC 12 M轴承是【SKF轴承 > 球面滑动轴承和杆端关节轴承 > 需维护的杆端关节轴承】的型号,主要用在装卸搬运机械、高频马达、挖土机履带轮、前轮、轧钢机齿轮箱座、机床等的变速装置、矿山、陶瓷机械、工程船舶、伽玛等各大领域。
SKF SALKAC 12 M轴承详细参数
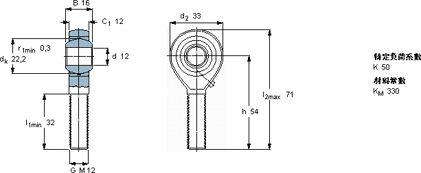
| 需要维护的杆端, 钢对青铜,阳螺纹 | |||||||||||
| 主要数据尺寸 | 角度倾的 | 基本负荷额定值 | 质量 | 型号 | |||||||
| 动态 | 静态 | 轴承座完全与 | |||||||||
| d | d2 | B | d3 | C1 | h | ± | C | C0 | |||
| 6g | |||||||||||
| mm | 度数 | kN | kg | - | |||||||
| 12 | 33 | 16 | M 12 | 12 | 54 | 13 | 12,2 | 12,2 | 0,093 | SALKAC 12 M | |
SKF SALKAC 12 M轴承尺寸图纸

