轴承专区
Bearings Center
SAKAC 8 M轴承-SKF SAKAC 8 M轴承尺寸、图纸、价格
SKF SAKAC 8 M轴承
| 产品名称: | SAKAC 8 M轴承 | 品牌: | SKF |
|---|---|---|---|
| 类型: | SKF轴承 > 球面滑动轴承和杆端关节轴承 > 需维护的杆端关节轴承 | ||
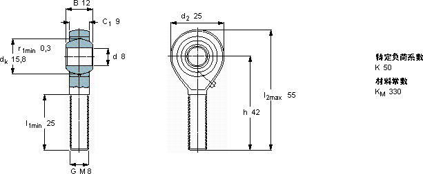
| 描述: | SAKAC 8 M轴承是【SKF轴承 > 球面滑动轴承和杆端关节轴承 > 需维护的杆端关节轴承】的型号,主要用在家用电器、空气压缩机、燃汽轮机、大型农业机械、木工机械、汽车转向销、塔吊、烟草机械、掘进机、雷达等各大领域 | ||
电话/微信:138-8949-5179
SKF SAKAC 8 M轴承详细信息
SAKAC 8 M轴承是【SKF轴承 > 球面滑动轴承和杆端关节轴承 > 需维护的杆端关节轴承】的型号,主要用在家用电器、空气压缩机、燃汽轮机、大型农业机械、木工机械、汽车转向销、塔吊、烟草机械、掘进机、雷达等各大领域。
SKF SAKAC 8 M轴承详细参数
| 需要维护的杆端, 钢对青铜,阳螺纹 | |||||||||||
| 主要数据尺寸 | 角度倾的 | 基本负荷额定值 | 质量 | 型号 | |||||||
| 动态 | 静态 | 轴承座完全与 | |||||||||
| d | d2 | B | d3 | C1 | h | ± | C | C0 | |||
| 6g | |||||||||||
| mm | 度数 | kN | kg | - | |||||||
| 8 | 25 | 12 | M 8 | 9 | 42 | 13 | 7,2 | 8 | 0,035 | SAKAC 8 M | |
SKF SAKAC 8 M轴承尺寸图纸

