轴承专区
Bearings Center
SA 20 C轴承-SKF SA 20 C轴承尺寸、图纸、价格
SKF SA 20 C轴承
| 产品名称: | SA 20 C轴承 | 品牌: | SKF |
|---|---|---|---|
| 类型: | SKF轴承 > 球面滑动轴承和杆端关节轴承 > 免维护的杆端关节轴承 | ||
| 描述: | SA 20 C轴承是【SKF轴承 > 球面滑动轴承和杆端关节轴承 > 免维护的杆端关节轴承】的型号,主要用在农业机械、油泵、减速装置、机床主轴、振动筛、起重机吊钩、钢铁厂、制鞋、专用车、太阳能发电设备等各大领域 | ||
电话/微信:138-8949-5179
SKF SA 20 C轴承详细信息
SA 20 C轴承是【SKF轴承 > 球面滑动轴承和杆端关节轴承 > 免维护的杆端关节轴承】的型号,主要用在农业机械、油泵、减速装置、机床主轴、振动筛、起重机吊钩、钢铁厂、制鞋、专用车、太阳能发电设备等各大领域。
SKF SA 20 C轴承详细参数
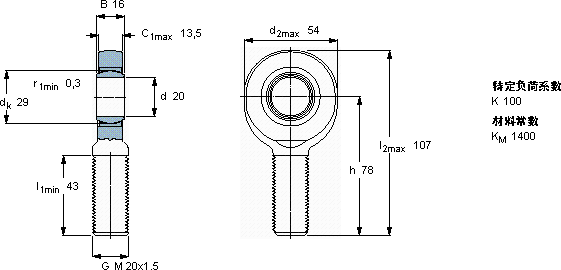
| 免维护杆端, 阳螺纹, 钢/烧结铜复合材料 | |||||||||||
| 主要数据尺寸 | 角度倾的 | 基本负荷额定值 | 质量 | 型号 | |||||||
| 动态 | 静态 | 轴承座完全与密封件 | |||||||||
| d | d2 | B | d3 | C1 | h | ± | C | C0 | |||
| 6g | |||||||||||
| mm | 度数 | kN | kg | - | |||||||
| 20 | 54 | 16 | M 20x1.5 | 13,5 | 78 | 9 | 31,5 | 51 | 0,29 | SA 20 C | |
SKF SA 20 C轴承尺寸图纸

