李工:138-8949-5179 刘工:135-0428-8802
型号查询
轴承型号   常见搜索: 6009轴承 6021轴承 71913轴承 6013轴承 6007轴承 6014轴承
型号查询 X

轴承专区

Bearings Center

SA 10 E轴承-SKF SA 10 E轴承尺寸、图纸、价格

SKF SA 10 E轴承

产品名称:SA 10 E轴承 品牌:SKF
类型:SKF轴承 > 球面滑动轴承和杆端关节轴承 > 需维护的杆端关节轴承
描述:SA 10 E轴承是【SKF轴承 > 球面滑动轴承和杆端关节轴承 > 需维护的杆端关节轴承】的型号,主要用在仪表、罗茨鼓风机、桥式起重机、建筑机械、减速装置、石油钻机转环、碾煤机、陶瓷机械、凿岩机械、厨具设备等各大领域

 电话/微信:138-8949-5179

SKF SA 10 E轴承详细信息

SA 10 E轴承是【SKF轴承 > 球面滑动轴承和杆端关节轴承 > 需维护的杆端关节轴承】的型号,主要用在仪表、罗茨鼓风机、桥式起重机、建筑机械、减速装置、石油钻机转环、碾煤机、陶瓷机械、凿岩机械、厨具设备等各大领域。

SKF SA 10 E轴承详细参数

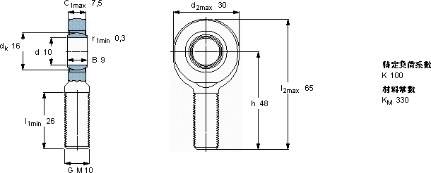
需要维护的杆端, 钢对钢,阳螺纹
主要数据尺寸角度倾的基本负荷额定值质量型号
动态静态杆端带右或左旋螺纹
dd2Bd3C1h±CC0
6g
mm度数kNkg-
10309M 107,548128,1518,30,049SA 10 E

SKF SA 10 E轴承尺寸图纸

李工:138-8949-5179

刘工:135-0428-8802

地址:辽宁省大连经济技术开发区现代城3栋-13-13号

在线客服系统