李工:138-8949-5179 刘工:135-0428-8802
型号查询
轴承型号   常见搜索: 6016轴承 22222轴承 2025轴承 6032轴承 6002轴承 6030轴承
型号查询 X

轴承专区

Bearings Center

210 NR轴承-SKF 210 NR轴承尺寸、图纸、价格

SKF 210 NR轴承

产品名称:210 NR轴承 品牌:SKF
类型:SKF轴承 > 滚动轴承 > 深沟球轴承
描述:210 NR轴承是【SKF轴承 > 滚动轴承 > 深沟球轴承】的型号,主要用在飞机喷气式发动机、空气压缩机、泵、大型农业机械、造纸机械、汽车转向销、燃机、化纤机械、掘进机、钢包回转台等各大领域

 电话/微信:138-8949-5179

SKF 210 NR轴承详细信息

210 NR轴承是【SKF轴承 > 滚动轴承 > 深沟球轴承】的型号,主要用在飞机喷气式发动机、空气压缩机、泵、大型农业机械、造纸机械、汽车转向销、燃机、化纤机械、掘进机、钢包回转台等各大领域。

SKF 210 NR轴承详细参数

深沟球轴承, 单列,带装球缺口和止动环槽, 无密封件
主要数据尺寸基本负荷额定值疲劳负荷限值额定速度体积型号
动态静态参照速度限制速度轴承,带止动环止动环
dDBCC0Pu
mmkNkNr/minkg-
50902039,134,51,461300080000,50210 NRSP 90

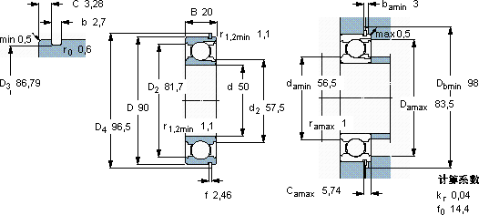
SKF 210 NR轴承尺寸图纸

李工:138-8949-5179

刘工:135-0428-8802

地址:辽宁省大连经济技术开发区现代城3栋-13-13号

在线客服系统