轴承专区
Bearings Center
22380 CAK/W33 + OH 3280 H *轴承-SKF 22380 CAK/W33 + OH 3280 H *轴承尺寸、图纸、价格
SKF 22380 CAK/W33 + OH 3280 H *轴承
| 产品名称: | 22380 CAK/W33 + OH 3280 H *轴承 | 品牌: | SKF |
|---|---|---|---|
| 类型: | SKF轴承 > 滚动轴承 > 球面滚子轴承 | ||
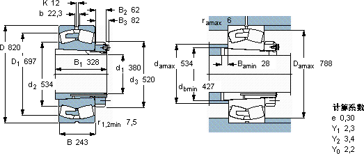
| 描述: | 22380 CAK/W33 + OH 3280 H *轴承是【SKF轴承 > 滚动轴承 > 球面滚子轴承】的型号,主要用在变速器、高频马达、纺织机械传动轴、前轮、各类产业用减速机、机床等的变速装置、立式电动机、纺织、工程船舶、正面吊等各大领域 | ||
电话/微信:138-8949-5179
SKF 22380 CAK/W33 + OH 3280 H *轴承详细信息
22380 CAK/W33 + OH 3280 H *轴承是【SKF轴承 > 滚动轴承 > 球面滚子轴承】的型号,主要用在变速器、高频马达、纺织机械传动轴、前轮、各类产业用减速机、机床等的变速装置、立式电动机、纺织、工程船舶、正面吊等各大领域。
SKF 22380 CAK/W33 + OH 3280 H *轴承详细参数
| 球面滚子轴承, 带紧定套的 | ||||||||||
| 主要数据尺寸 | 基本负荷额定值 | 疲劳负荷限值 | 额定速度 | 体积 | 型号 | |||||
| 动态 | 静态 | 参照速度 | 限制速度 | 轴承 + 紧定套 | ||||||
| d1 | D | B | C | C0 | Pu | |||||
| * - SKF Explorer 轴承 | ||||||||||
| mm | kN | kN | r/min | kg | - | |||||
| 380 | 820 | 243 | 7500 | 10400 | 670 | 430 | 750 | 735 | 22380 CAK/W33 + OH 3280 H * | |
SKF 22380 CAK/W33 + OH 3280 H *轴承尺寸图纸

